0
TAS3251
  • TAS3251
  • TAS3251
  • TAS3251

TAS3251

ACTIVE

175-W stereo, 350-W mono, 12- to 38-V supply, digital input Class-D Smart Audio Amplifier

Texas Instruments TAS3251 Product Info

1 April 2026 1

Parameters

Audio input type

Digital Input

Architecture

Class-D, Smart Amp

Speaker channels (max)

Stereo

Control interface

I2C

Output power (W)

175

Power stage supply (max) (V)

38

Power stage supply (min) (V)

12

RDS(on) (Ω)

0.06

THD + N at 1 kHz (%)

0.01

Load (min) (Ω)

1

Analog supply voltage (min) (V)

10.8

Analog supply voltage (max) (V)

13.2

Rating

Catalog

Operating temperature range (°C)

0 to 70

Package

HSSOP (DKQ)-56-190.647 mm² 18.42 x 10.35

Features

  • Flexible audio inputs
    • I2S, TDM, left-justified, right-justified
    • 32kHz, 44.1kHz, 48kHz, 96kHz
    • Supports 3-Wire Digital Input (No MCLK)
  • Total output power at 10% THD+N
    • 175W Stereo into 4Ω in BTL configuration
    • 220W Stereo into 3Ω in BTL configuration
    • 350W Mono into 2Ω in PBTL configuration
  • Total output power at 1% THD+N
    • 140W Stereo into 4Ω in BTL configuration
    • 175W Stereo into 3Ω in BTL configuration
    • 285W Mono into 2Ω in PBTL configuration
  • Advanced integrated closed-loop design
    • Ultra low 0.01% THD+N at 1W Into 4Ω
    • <0.01% THD+N to clipping
    • 60dB PSRR (BTL, no input signal)
    • <95µV Output noise (A-weighted)
    • >108dB SNR (A-weighted)
  • Fixed-function processing features
    • SmartEQ (up to 15x BiQuads per channel)
    • Crossover EQ (2x 5 BiQuads)
    • 3-Band advanced DRC + AGL
    • Dynamic EQ and SmartBass
    • Sample rate Conversion
  • Control features
    • I2C Software mode control
    • Address select pin
  • 90% Efficient class-D operation (4Ω)
  • Wide 12V to 36V supply voltage operation
  • Integrated protection with error reporting: undervoltage, cycle-by-cycle current limit, short circuit, clipping detection, overtemperature warning and shutdown and dc speaker protection
  • Flexible audio inputs
    • I2S, TDM, left-justified, right-justified
    • 32kHz, 44.1kHz, 48kHz, 96kHz
    • Supports 3-Wire Digital Input (No MCLK)
  • Total output power at 10% THD+N
    • 175W Stereo into 4Ω in BTL configuration
    • 220W Stereo into 3Ω in BTL configuration
    • 350W Mono into 2Ω in PBTL configuration
  • Total output power at 1% THD+N
    • 140W Stereo into 4Ω in BTL configuration
    • 175W Stereo into 3Ω in BTL configuration
    • 285W Mono into 2Ω in PBTL configuration
  • Advanced integrated closed-loop design
    • Ultra low 0.01% THD+N at 1W Into 4Ω
    • <0.01% THD+N to clipping
    • 60dB PSRR (BTL, no input signal)
    • <95µV Output noise (A-weighted)
    • >108dB SNR (A-weighted)
  • Fixed-function processing features
    • SmartEQ (up to 15x BiQuads per channel)
    • Crossover EQ (2x 5 BiQuads)
    • 3-Band advanced DRC + AGL
    • Dynamic EQ and SmartBass
    • Sample rate Conversion
  • Control features
    • I2C Software mode control
    • Address select pin
  • 90% Efficient class-D operation (4Ω)
  • Wide 12V to 36V supply voltage operation
  • Integrated protection with error reporting: undervoltage, cycle-by-cycle current limit, short circuit, clipping detection, overtemperature warning and shutdown and dc speaker protection

Description

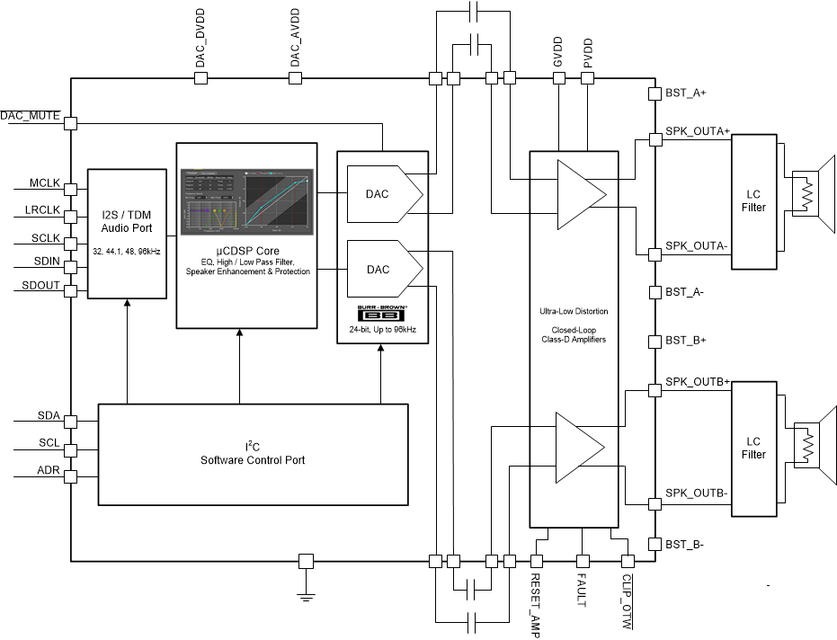
TAS3251 is a digital-input, high-performance Class-D audio amplifier that enables true premium sound quality with Class-D efficiency. The digital front-end features a high-performance Burr-Brown™ DAC with integrated DSP for advanced audio processing, including SmartAmp and SmartEQ. The first high-power single-chip solution reduces overall system solution size and cost. The DSP is supported by TI PurePath™ Console Graphical tuning software for quick and easy speaker tuning and control. The Class-D power stage features advanced integrated feedback and proprietary high-speed gate drive error correction for ultra-low distortion and noise across the audio band. The device operates in AD-mode and can drive up to 2 x 175W into 4Ω load and 2 x 220W into 3Ω load.

TAS3251 is a digital-input, high-performance Class-D audio amplifier that enables true premium sound quality with Class-D efficiency. The digital front-end features a high-performance Burr-Brown™ DAC with integrated DSP for advanced audio processing, including SmartAmp and SmartEQ. The first high-power single-chip solution reduces overall system solution size and cost. The DSP is supported by TI PurePath™ Console Graphical tuning software for quick and easy speaker tuning and control. The Class-D power stage features advanced integrated feedback and proprietary high-speed gate drive error correction for ultra-low distortion and noise across the audio band. The device operates in AD-mode and can drive up to 2 x 175W into 4Ω load and 2 x 220W into 3Ω load.

Subscribe to Welllinkchips !
Your Name
* Email
Submit a request