0
SN75ALS194
  • SN75ALS194
  • SN75ALS194
  • SN75ALS194
  • SN75ALS194
  • SN75ALS194

SN75ALS194

ACTIVE

Quadruple Differential Line Driver

Texas Instruments SN75ALS194 Product Info

1 April 2026 0

Parameters

Number of receivers

0

Number of transmitters

4

Supply voltage (nom) (V)

5

Signaling rate (max) (Mbps)

20

IEC 61000-4-2 contact (±V)

None

Fault protection (V)

-12 to 12

Common-mode range (V)

-3 to 3

Number of nodes

32

Isolated

No

Supply current (max) (µA)

45000

Rating

Catalog

Operating temperature range (°C)

0 to 70

Package

PDIP (N)-16-181.42 mm² 19.3 x 9.4

Features

  • Meet or exceed the requirements of ANSI standard EIA/TIA-422-B and ITU recommendation V.11
  • Designed to operate up to 20 Mbaud
  • 3-state TTL-compatible outputs
  • Single 5V supply operation
  • High output impedance in power-off condition
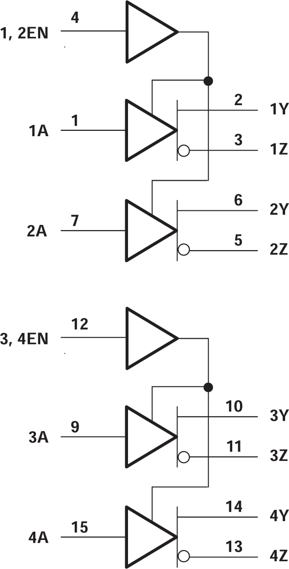
  • Two pairs of drivers, independently enabled
  • Designed as improved replacements for the MC3487
  • Meet or exceed the requirements of ANSI standard EIA/TIA-422-B and ITU recommendation V.11
  • Designed to operate up to 20 Mbaud
  • 3-state TTL-compatible outputs
  • Single 5V supply operation
  • High output impedance in power-off condition
  • Two pairs of drivers, independently enabled
  • Designed as improved replacements for the MC3487

Description

These four differential line drivers are designed for data transmission over twisted-pair or parallel-wire transmission lines. They meet the requirements of ANSI Standard EIA/TIA-422-B and ITU Recommendation V.11 and are compatible with 3-state TTL circuits. Advanced low-power Schottky technology provides high speed without the usual power penalty. Standby supply current is typically only 26mA. Typical propagation delay time is less than 10ns, and enable/disable times are typically less than 16ns.

High-impedance inputs keep input currents low: less than 1µA for a high level and less than 100µA for a low level. The driver circuits can be enabled in pairs by separate active-high enable inputs. The SN75ALS194 is capable of data rates in excess of 20 megabits per second and is designed to operates with the SN75ALS195 quadruple line receiver.

The SN75ALS194 is characterized for operation from 0°C to 70°C.

These four differential line drivers are designed for data transmission over twisted-pair or parallel-wire transmission lines. They meet the requirements of ANSI Standard EIA/TIA-422-B and ITU Recommendation V.11 and are compatible with 3-state TTL circuits. Advanced low-power Schottky technology provides high speed without the usual power penalty. Standby supply current is typically only 26mA. Typical propagation delay time is less than 10ns, and enable/disable times are typically less than 16ns.

High-impedance inputs keep input currents low: less than 1µA for a high level and less than 100µA for a low level. The driver circuits can be enabled in pairs by separate active-high enable inputs. The SN75ALS194 is capable of data rates in excess of 20 megabits per second and is designed to operates with the SN75ALS195 quadruple line receiver.

The SN75ALS194 is characterized for operation from 0°C to 70°C.

Subscribe to Welllinkchips !
Your Name
* Email
Submit a request