0
SN75172
  • SN75172
  • SN75172
  • SN75172
  • SN75172
  • SN75172

SN75172

ACTIVE

Quadruple Differential Line Driver

Texas Instruments SN75172 Product Info

1 April 2026 0

Parameters

Number of receivers

0

Number of transmitters

4

Supply voltage (nom) (V)

5

Signaling rate (max) (Mbps)

4

IEC 61000-4-2 contact (±V)

None

Fault protection (V)

-10 to 15

Common-mode range (V)

-7 to 12

Number of nodes

32

Isolated

No

Supply current (max) (µA)

60000

Rating

Catalog

Operating temperature range (°C)

0 to 70

Package

PDIP (N)-16-181.42 mm² 19.3 x 9.4

Features

  • Meets or exceeds the requirements of ANSI standards EIA/TIA-422-B and RS-485 and ITU recommendation V.11
  • Designed for multipoint transmission on long bus lines in noisy environments
  • 3-state outputs
  • Common-mode output voltage range of: –7V to 12V
  • Active-high and active-low enables
  • Thermal shutdown protection
  • Positive- and negative-current limiting
  • Operates from single 5V supply
  • Logically interchangeable with AM26LS31
  • Meets or exceeds the requirements of ANSI standards EIA/TIA-422-B and RS-485 and ITU recommendation V.11
  • Designed for multipoint transmission on long bus lines in noisy environments
  • 3-state outputs
  • Common-mode output voltage range of: –7V to 12V
  • Active-high and active-low enables
  • Thermal shutdown protection
  • Positive- and negative-current limiting
  • Operates from single 5V supply
  • Logically interchangeable with AM26LS31

Description

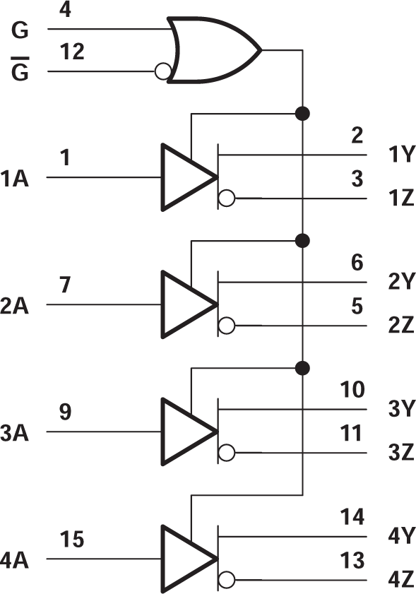
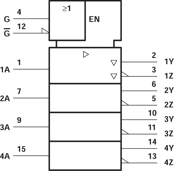
The SN75172 is a monolithic quadruple differential line driver with 3-state outputs. Dsigned to meet the requirements of ANSI Standards EIA/TIA-422-B and RS-485 and ITU Recommendation V.11. The device is optimized for balanced multipoint bus transmission at rates of up to 4 megabaud. Each driver features wide positive and negative common-mode output voltage ranges, making it suitable for party-line applications in noisy environments.

The SN75172 provides positive- and negative-current limiting and thermal shutdown for protection from line fault conditions on the transmission bus line. Shutdown occurs at a junction temperature of approximately 150°C. This device offers optimum performance when used with the SN75173 or SN75175 quadruple differential line receivers.

The SN75172 is characterized for operation from 0°C to 70°C.

The SN75172 is a monolithic quadruple differential line driver with 3-state outputs. Dsigned to meet the requirements of ANSI Standards EIA/TIA-422-B and RS-485 and ITU Recommendation V.11. The device is optimized for balanced multipoint bus transmission at rates of up to 4 megabaud. Each driver features wide positive and negative common-mode output voltage ranges, making it suitable for party-line applications in noisy environments.

The SN75172 provides positive- and negative-current limiting and thermal shutdown for protection from line fault conditions on the transmission bus line. Shutdown occurs at a junction temperature of approximately 150°C. This device offers optimum performance when used with the SN75173 or SN75175 quadruple differential line receivers.

The SN75172 is characterized for operation from 0°C to 70°C.

Subscribe to Welllinkchips !
Your Name
* Email
Submit a request