0
SN74LV4040A
  • SN74LV4040A
  • SN74LV4040A
  • SN74LV4040A
  • SN74LV4040A
  • SN74LV4040A
  • SN74LV4040A
  • SN74LV4040A
  • SN74LV4040A
  • SN74LV4040A
  • SN74LV4040A

SN74LV4040A

ACTIVE

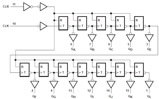
12-Bit Asynchronous Binary Counter

Texas Instruments SN74LV4040A Product Info

1 April 2026 1

Parameters

Function

Counter

Bits (#)

12

Technology family

LV-A

Supply voltage (min) (V)

2

Supply voltage (max) (V)

5.5

Input type

Standard CMOS

Output type

Push-Pull

Features

Balanced outputs, Over-voltage tolerant inputs, Partial power down (Ioff), Very high speed (tpd 5-10ns)

Operating temperature range (°C)

-40 to 85

Rating

Catalog

Package

PDIP (N)-16-181.42 mm² 19.3 x 9.4

Features

  • 2V to 5.5V VCC operation
  • Typical VOLP (output ground bounce) <0.8V at VCC = 3.3V, TA = 25°C
  • Typical VOHV (output VOH undershoot) 2.3V at VCC = 3.3V, TA = 25°C
  • Support mixed-mode voltage operation on all ports
  • High on-off output-voltage ratio
  • Low crosstalk between switches
  • Individual switch controls
  • Extremely low input current
  • Ioff supports partial-power-down mode operation
  • Latch-up performance exceeds 100mA per JESD 78, class II
  • 2V to 5.5V VCC operation
  • Typical VOLP (output ground bounce) <0.8V at VCC = 3.3V, TA = 25°C
  • Typical VOHV (output VOH undershoot) 2.3V at VCC = 3.3V, TA = 25°C
  • Support mixed-mode voltage operation on all ports
  • High on-off output-voltage ratio
  • Low crosstalk between switches
  • Individual switch controls
  • Extremely low input current
  • Ioff supports partial-power-down mode operation
  • Latch-up performance exceeds 100mA per JESD 78, class II

Description

The ’LV4040A devices are 12-bit asynchronous binary counters with the outputs of all stages available externally.

The ’LV4040A devices are 12-bit asynchronous binary counters with the outputs of all stages available externally.

Subscribe to Welllinkchips !
Your Name
* Email
Submit a request