0
SN74HC03
  • SN74HC03
  • SN74HC03
  • SN74HC03
  • SN74HC03
  • SN74HC03
  • SN74HC03
  • SN74HC03
  • SN74HC03

SN74HC03

ACTIVE

4-ch, 2-input, 2-V to 6-V 5.2 mA drive strength NAND gate with open-drain outputs

Texas Instruments SN74HC03 Product Info

1 April 2026 1

Parameters

Technology family

HC

Supply voltage (min) (V)

2

Supply voltage (max) (V)

6

Number of channels

4

Inputs per channel

2

IOL (max) (mA)

5.2

IOH (max) (mA)

0

Input type

Standard CMOS

Output type

Open-drain

Features

High speed (tpd 10- 50ns)

Data rate (max) (Mbps)

28

Rating

Catalog

Operating temperature range (°C)

-40 to 85

Package

PDIP (N)-14-181.42 mm² 19.3 x 9.4

Features

  • Wide Operating Voltage Range: 2 V to 6 V
  • Outputs Can Drive Up To 10 LSTTL Loads
  • Low Power Consumption, 20-µA Maximum ICC
  • Typical tpd = 8 ns at 5 V
  • ±4-mA Output Drive at 5 V
  • Low Input Current of 1 µA
  • Wide Operating Voltage Range: 2 V to 6 V
  • Outputs Can Drive Up To 10 LSTTL Loads
  • Low Power Consumption, 20-µA Maximum ICC
  • Typical tpd = 8 ns at 5 V
  • ±4-mA Output Drive at 5 V
  • Low Input Current of 1 µA

Description

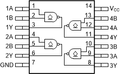
This device contains four independent 2-input NAND Gates with open-drain outputs. Each gate performs the Boolean function Y = A ● B in positive logic.

This device contains four independent 2-input NAND Gates with open-drain outputs. Each gate performs the Boolean function Y = A ● B in positive logic.

Subscribe to Welllinkchips !
Your Name
* Email
Submit a request