0
SN55LVTA4-SEP
  • SN55LVTA4-SEP
  • SN55LVTA4-SEP
  • SN55LVTA4-SEP
  • SN55LVTA4-SEP

SN55LVTA4-SEP

ACTIVE

Radiation-tolerant quad-channel high-speed differential line driver

Texas Instruments SN55LVTA4-SEP Product Info

1 April 2026 0

Parameters

Function

Driver

Protocols

LVDS

Number of transmitters

4

Number of receivers

0

Supply voltage (V)

3.3

Signaling rate (Mbps)

400

Input signal

LVTTL

Output signal

LVDS

Rating

Space

Operating temperature range (°C)

-55 to 125

Package

SOIC (D)-16-59.4 mm² 9.9 x 6

Features

  • VID V62/25605-01XE
  • Total ionizing dose characterized at 30krad (Si)
    • Total ionizing dose radiation lot acceptance testing (TID RLAT) for every wafer lot to 30krad (Si)
  • Single-event effects (SEE) characterized:
    • Single event latch-up (SEL) immune to linear energy transfer (LET) = 50MeV-cm2 /mg
    • Single event transient (SET) characterized to 50MeV-cm2/mg.
  • Meet or exceed the requirements of ANSI TIA/EIA-644 standard
  • Low-voltage differential signaling with typical output voltage of 350mV and 100Ω load
  • Typical output voltage rise and fall times of 500ps (400Mbps)
  • Typical propagation delay times of 1.7ns
  • Operate from a single 3.3V supply
  • Power dissipation 25mW typical per driver at 200MHz
  • Driver at high impedance when disabled or with VCC = 0
  • Bus-terminal ESD protection exceeds 8kV
  • Low-voltage TTL (LVTTL) logic input levels
  • Cold sparing for space and high reliability applications requiring redundancy
  • Space enhanced plastic (SEP)
    • Controlled baseline
    • Gold wire, NiPdAu lead finish
    • One assembly and test site, one fabrication site
    • Extended product life cycle
    • Military (–55°C to 125°C) temperature range
    • Product traceability
    • Meets NASA ASTM E595 outgassing specification
  • VID V62/25605-01XE
  • Total ionizing dose characterized at 30krad (Si)
    • Total ionizing dose radiation lot acceptance testing (TID RLAT) for every wafer lot to 30krad (Si)
  • Single-event effects (SEE) characterized:
    • Single event latch-up (SEL) immune to linear energy transfer (LET) = 50MeV-cm2 /mg
    • Single event transient (SET) characterized to 50MeV-cm2/mg.
  • Meet or exceed the requirements of ANSI TIA/EIA-644 standard
  • Low-voltage differential signaling with typical output voltage of 350mV and 100Ω load
  • Typical output voltage rise and fall times of 500ps (400Mbps)
  • Typical propagation delay times of 1.7ns
  • Operate from a single 3.3V supply
  • Power dissipation 25mW typical per driver at 200MHz
  • Driver at high impedance when disabled or with VCC = 0
  • Bus-terminal ESD protection exceeds 8kV
  • Low-voltage TTL (LVTTL) logic input levels
  • Cold sparing for space and high reliability applications requiring redundancy
  • Space enhanced plastic (SEP)
    • Controlled baseline
    • Gold wire, NiPdAu lead finish
    • One assembly and test site, one fabrication site
    • Extended product life cycle
    • Military (–55°C to 125°C) temperature range
    • Product traceability
    • Meets NASA ASTM E595 outgassing specification

Description

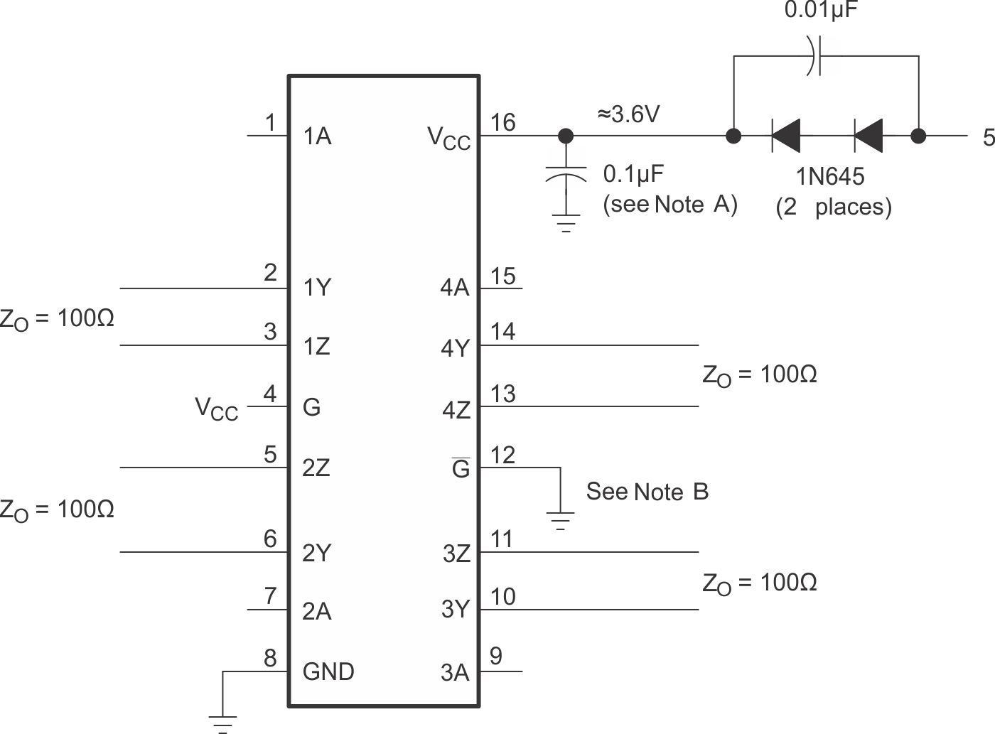
The SN55LVTA4-SEP is a differential line driver that implements the electrical characteristics of low-voltage differential signaling (LVDS) with a 3.3V supply. This driver delivers a minimum differential output voltage magnitude of 247mV into a 100Ω load when enabled.

The intended application of this device and signaling technique is both point-to-point and multi-drop (one driver and multiple receivers) data transmission over controlled impedance media of approximately 100Ω. The transmission media can be printed-circuit board traces, backplanes, or cables. The ultimate rate and distance of data transfer is dependent upon the attenuation characteristics of the media and the noise coupling to the environment.

The SN55LVTA4-SEP is characterized for operation from –55°C to 125°C.

The SN55LVTA4-SEP is a differential line driver that implements the electrical characteristics of low-voltage differential signaling (LVDS) with a 3.3V supply. This driver delivers a minimum differential output voltage magnitude of 247mV into a 100Ω load when enabled.

The intended application of this device and signaling technique is both point-to-point and multi-drop (one driver and multiple receivers) data transmission over controlled impedance media of approximately 100Ω. The transmission media can be printed-circuit board traces, backplanes, or cables. The ultimate rate and distance of data transfer is dependent upon the attenuation characteristics of the media and the noise coupling to the environment.

The SN55LVTA4-SEP is characterized for operation from –55°C to 125°C.

Subscribe to Welllinkchips !
Your Name
* Email
Submit a request