0
LM96080
  • LM96080
  • LM96080
  • LM96080
  • LM96080

LM96080

ACTIVE

1 local temp sensor with fan speed and power supply voltage monitor Key Specifications Key Specifications

Texas Instruments LM96080 Product Info

1 April 2026 0

Parameters

Local sensor accuracy (max)

2

Type

Fan Controller

Operating temperature range (°C)

-40 to 125

Supply voltage (min) (V)

3

Interface type

I2C, SMBus

Supply voltage (max) (V)

5.5

Features

ALERT, Tachometer

Supply current (max) (µA)

580

Temp resolution (max) (bps)

12

Remote channels (#)

0

Addresses

8

Rating

Catalog

Package

TSSOP (PW)-24-49.92 mm² 7.8 x 6.4

Features

  • Local Temperature Sensing
  • 7 Positive Voltage Inputs with 10-bit Resolution
  • 2 Programmable Fan Speed Monitoring Inputs
  • 2.5 mV LSb and 2.56V Input Range
  • Chassis Intrusion Detector Input
  • WATCHDOG Comparison of All Monitored Values
  • Separate Input to Show Status in Interrupt Status Register of Additional External Temperature Sensors Such as the LM26/27, LM56/57, LM73, or LM75
  • I2C Serial Bus Interface Compatibility, Supports Standard Mode, 100 kbits/s, and Fast Mode, 400 kbits/s
  • Shutdown Mode to Minimize Power Consumption
  • Programmable RST_OUT/OS Pin: RST_OUT Provides a Reset Output; OS Provides an Interrupt Output Activated by an Overtemperature Shutdown Event
  • Software and Pin Compatible with the LM80

Key Specifications

  • Total Unadjusted Error ±1 %FS (Max)
  • Differential Non-Linearity ±1 Lsb (Max)
  • Supply Voltage Range +3.0 V to +5.5 V
  • Supply Current (Operating) 0.370 mA Typ
  • Supply Current (Shutdown) 0.330 mA Typ
  • ADC Resolution 10 Bits
  • Temperature Resolution 0.5°C/0.0625°C
  • Temperature Accuracy ±3°C (Max)

All trademarks are the property of their respective owners.

  • Local Temperature Sensing
  • 7 Positive Voltage Inputs with 10-bit Resolution
  • 2 Programmable Fan Speed Monitoring Inputs
  • 2.5 mV LSb and 2.56V Input Range
  • Chassis Intrusion Detector Input
  • WATCHDOG Comparison of All Monitored Values
  • Separate Input to Show Status in Interrupt Status Register of Additional External Temperature Sensors Such as the LM26/27, LM56/57, LM73, or LM75
  • I2C Serial Bus Interface Compatibility, Supports Standard Mode, 100 kbits/s, and Fast Mode, 400 kbits/s
  • Shutdown Mode to Minimize Power Consumption
  • Programmable RST_OUT/OS Pin: RST_OUT Provides a Reset Output; OS Provides an Interrupt Output Activated by an Overtemperature Shutdown Event
  • Software and Pin Compatible with the LM80

Key Specifications

  • Total Unadjusted Error ±1 %FS (Max)
  • Differential Non-Linearity ±1 Lsb (Max)
  • Supply Voltage Range +3.0 V to +5.5 V
  • Supply Current (Operating) 0.370 mA Typ
  • Supply Current (Shutdown) 0.330 mA Typ
  • ADC Resolution 10 Bits
  • Temperature Resolution 0.5°C/0.0625°C
  • Temperature Accuracy ±3°C (Max)

All trademarks are the property of their respective owners.

Description

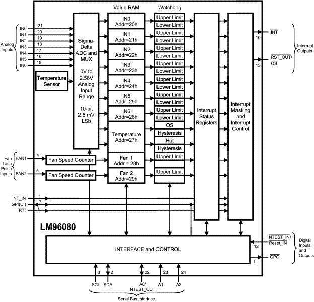
LM96080, compatible to LM80, is a hardware monitor that contains a 10-bit delta-sigma ADC capable of measuring 7 positive voltages and local temperature. The LM96080 also measures the speed of two fans and includes other hardware monitoring on an I2C® interface. The LM96080 includes a sequencer that performs WATCHDOG window comparisons of all measured values and its interrupt outputs become active when any values exceed the programmed limits.

The LM96080 is especially suited to interface to both linear and digital temperature sensors. The 2.5 mV LSb (least significant bit) and 2.56 volt input range is ideal for accepting inputs from a linear sensor such as the LM94022. The BTI is used as an input from either digital or thermostat sensors such as LM73, LM75, LM56, LM57, LM26, LM27, LM26LV, or other LM96080.

The LM96080 supports Standard Mode (Sm, 100 kbits/s) and Fast Mode (Fm, 400 kbits/s) I2C interface modes of operation. LM96080 includes an analog filter on the I2C digital control lines that allows improved noise immunity and supports TIMEOUT reset function on SDA and SCL that prevents I2C bus lockup. Three I2C device address pins allow up to 8 parts on a single bus.

The LM96080's 3.0V to 5.5V supply voltage range, low supply current, and I2C interface make it ideal for a wide range of applications. Operation is ensured over the temperature range of (−40)°C ≤ TA ≤ +125°C. The LM96080 is available in a 24-pin TSSOP package.

LM96080, compatible to LM80, is a hardware monitor that contains a 10-bit delta-sigma ADC capable of measuring 7 positive voltages and local temperature. The LM96080 also measures the speed of two fans and includes other hardware monitoring on an I2C® interface. The LM96080 includes a sequencer that performs WATCHDOG window comparisons of all measured values and its interrupt outputs become active when any values exceed the programmed limits.

The LM96080 is especially suited to interface to both linear and digital temperature sensors. The 2.5 mV LSb (least significant bit) and 2.56 volt input range is ideal for accepting inputs from a linear sensor such as the LM94022. The BTI is used as an input from either digital or thermostat sensors such as LM73, LM75, LM56, LM57, LM26, LM27, LM26LV, or other LM96080.

The LM96080 supports Standard Mode (Sm, 100 kbits/s) and Fast Mode (Fm, 400 kbits/s) I2C interface modes of operation. LM96080 includes an analog filter on the I2C digital control lines that allows improved noise immunity and supports TIMEOUT reset function on SDA and SCL that prevents I2C bus lockup. Three I2C device address pins allow up to 8 parts on a single bus.

The LM96080's 3.0V to 5.5V supply voltage range, low supply current, and I2C interface make it ideal for a wide range of applications. Operation is ensured over the temperature range of (−40)°C ≤ TA ≤ +125°C. The LM96080 is available in a 24-pin TSSOP package.

Subscribe to Welllinkchips !
Your Name
* Email
Submit a request