0
LM5034
  • LM5034
  • LM5034
  • LM5034
  • LM5034

LM5034

ACTIVE

100-V Dual Interleaved active clamp current mode controller with P-channel clamp FET

Texas Instruments LM5034 Product Info

1 April 2026 1

Parameters

Topology

Active-clamp forward

Control mode

Current

Features

Current limiting, High-voltage startup, Soft start, Supports PFET clamp, Synchronization pin

Duty cycle (max) (%)

76

Package

TSSOP (PW)-20-41.6 mm² 6.5 x 6.4

Features

  • Two Independent PWM Current Mode Controllers
  • Integrated High Voltage Startup Regulator
  • Compound 2.5A Main Output Gate Drivers
  • Single Resistor Oscillator Setting to 2 MHz
  • Synchronizable Oscillator
  • Active Clamp Gate Driver for P-Channel MOSFETs
  • Adjustable Gate Drive Overlap Time
  • Programmable Maximum Duty Cycle
  • Maximum Duty Cycle Fold-Back at High Line Voltage
  • Adjustable Timer for Hiccup Mode Current Limiting
  • Integrated Slope Compensation
  • Adjustable Line Under-Voltage Lockout
  • Independently Adjustable Soft-Start (Each Regulator)
  • Direct Interface with Opto-Coupler Transistor
  • Thermal Shutdown

All trademarks are the property of their respective owners.

  • Two Independent PWM Current Mode Controllers
  • Integrated High Voltage Startup Regulator
  • Compound 2.5A Main Output Gate Drivers
  • Single Resistor Oscillator Setting to 2 MHz
  • Synchronizable Oscillator
  • Active Clamp Gate Driver for P-Channel MOSFETs
  • Adjustable Gate Drive Overlap Time
  • Programmable Maximum Duty Cycle
  • Maximum Duty Cycle Fold-Back at High Line Voltage
  • Adjustable Timer for Hiccup Mode Current Limiting
  • Integrated Slope Compensation
  • Adjustable Line Under-Voltage Lockout
  • Independently Adjustable Soft-Start (Each Regulator)
  • Direct Interface with Opto-Coupler Transistor
  • Thermal Shutdown

All trademarks are the property of their respective owners.

Description

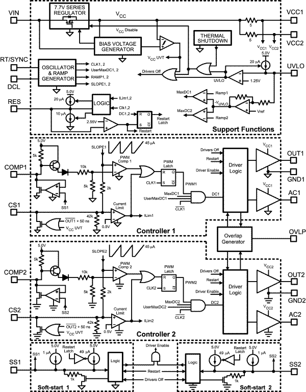
The LM5034 dual current mode PWM controller contains all the features needed to control either two independent forward/active clamp dc/dc converters or a single high current converter comprised of two interleaved power stages. The two controller channels operate 180° out of phase thereby reducing input ripple current. The LM5034 includes a startup regulator that operates over a wide input range up to 100V and compound (bipolar + CMOS) gate drivers that provide a robust 2.5A peak sink current. The adjustable dead-time of the active clamp gate drivers and adjustable maximum PWM duty cycle reduce stress on the primary side MOSFET switches. Additional features include programmable line under-voltage lockout, cycle-by-cycle current limit, hiccup mode fault operation with adjustable restart delay, PWM slope compensation, soft-start, and a 2 MHz capable oscillator with synchronization capability.

The LM5034 dual current mode PWM controller contains all the features needed to control either two independent forward/active clamp dc/dc converters or a single high current converter comprised of two interleaved power stages. The two controller channels operate 180° out of phase thereby reducing input ripple current. The LM5034 includes a startup regulator that operates over a wide input range up to 100V and compound (bipolar + CMOS) gate drivers that provide a robust 2.5A peak sink current. The adjustable dead-time of the active clamp gate drivers and adjustable maximum PWM duty cycle reduce stress on the primary side MOSFET switches. Additional features include programmable line under-voltage lockout, cycle-by-cycle current limit, hiccup mode fault operation with adjustable restart delay, PWM slope compensation, soft-start, and a 2 MHz capable oscillator with synchronization capability.

Subscribe to Welllinkchips !
Your Name
* Email
Submit a request