0
LM2904V
  • LM2904V
  • LM2904V
  • LM2904V
  • LM2904V

LM2904V

ACTIVE

Dual, 30-V, 700-kHz operational amplifier with -40°C to 125°C operation

Texas Instruments LM2904V Product Info

1 April 2026 0

Parameters

Number of channels

2

Total supply voltage (+5 V = 5, ±5 V = 10) (max) (V)

30

Total supply voltage (+5 V = 5, ±5 V = 10) (min) (V)

3

Rail-to-rail

In to V-

GBW (typ) (MHz)

0.7

Slew rate (typ) (V/µs)

0.3

Vos (offset voltage at 25°C) (max) (mV)

2

Iq per channel (typ) (mA)

0.35

Vn at 1 kHz (typ) (nV√Hz)

40

Rating

Catalog

Operating temperature range (°C)

-40 to 125

Offset drift (typ) (µV/°C)

7

Input bias current (max) (pA)

250000

CMRR (typ) (dB)

80

Iout (typ) (A)

0.03

Architecture

Bipolar

Input common mode headroom (to negative supply) (typ) (V)

0

Input common mode headroom (to positive supply) (typ) (V)

-1.5

Output swing headroom (to negative supply) (typ) (V)

0.005

Output swing headroom (to positive supply) (typ) (V)

-2

Package

SOIC (D)-8-29.4 mm² 4.9 x 6

Features

  • Wide supply range of 3V to 36V (B, BA versions)
  • Quiescent current: 300µA/ch (B, BA versions)
  • Unity-gain bandwidth of 1.2MHz (B, BA versions)
  • Common-mode input voltage range includes ground, enabling direct sensing near ground
  • 2mV input offset voltage maximum at 25°C (BA version)
  • 3mV input offset voltage maximum at 25°C (A, B versions)
  • Internal RF and EMI filter (B, BA versions)
  • On products compliant to MIL-PRF-38535, all parameters are tested unless otherwise noted. On all other products, production processing does not necessarily include testing of all parameters.
  • Wide supply range of 3V to 36V (B, BA versions)
  • Quiescent current: 300µA/ch (B, BA versions)
  • Unity-gain bandwidth of 1.2MHz (B, BA versions)
  • Common-mode input voltage range includes ground, enabling direct sensing near ground
  • 2mV input offset voltage maximum at 25°C (BA version)
  • 3mV input offset voltage maximum at 25°C (A, B versions)
  • Internal RF and EMI filter (B, BA versions)
  • On products compliant to MIL-PRF-38535, all parameters are tested unless otherwise noted. On all other products, production processing does not necessarily include testing of all parameters.

Description

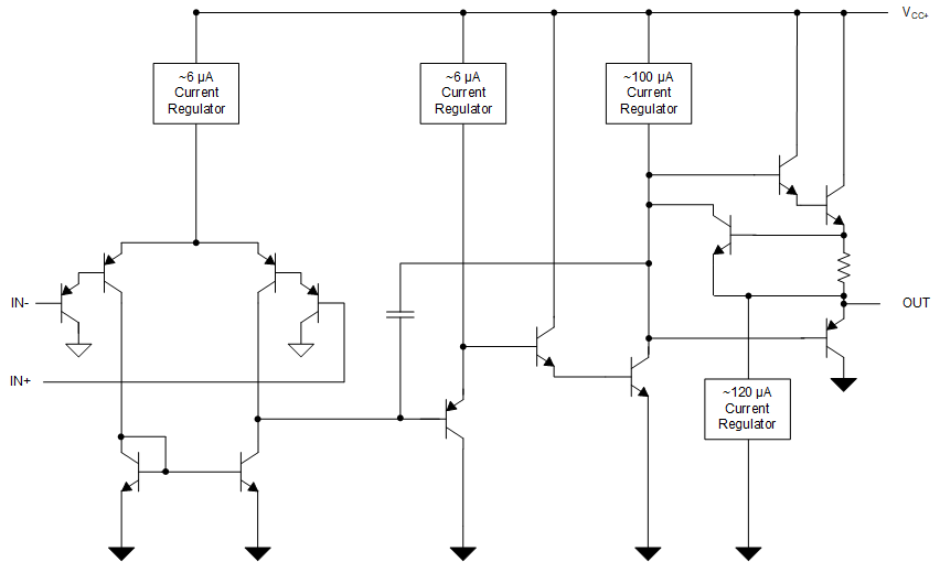
The LM358B and LM2904B devices are the next-generation versions of the industry-standard operational amplifiers (op amps) LM358 and LM2904, which include two high-voltage (36V) op amps. These devices provide outstanding value for cost-sensitive applications, with features including low offset (300µV, typical), common-mode input range to ground, and high differential input voltage capability.

The LM358B and LM2904B op amps simplify circuit design with enhanced features such as unity-gain stability, lower offset voltage maximum of 3mV (2mV maximum for LM358BA and LM2904BA), and lower quiescent current of 300µA per amplifier (typical). High ESD (2kV, HBM) and integrated EMI and RF filters enable the LM358B and LM2904B devices to be used in the most rugged, environmentally challenging applications.

The LM358B and LM2904B amplifiers are available in micro-sized packaging, such as the SOT23-8, as well as industry standard packages including SOIC, TSSOP, and VSSOP.

The LM358B and LM2904B devices are the next-generation versions of the industry-standard operational amplifiers (op amps) LM358 and LM2904, which include two high-voltage (36V) op amps. These devices provide outstanding value for cost-sensitive applications, with features including low offset (300µV, typical), common-mode input range to ground, and high differential input voltage capability.

The LM358B and LM2904B op amps simplify circuit design with enhanced features such as unity-gain stability, lower offset voltage maximum of 3mV (2mV maximum for LM358BA and LM2904BA), and lower quiescent current of 300µA per amplifier (typical). High ESD (2kV, HBM) and integrated EMI and RF filters enable the LM358B and LM2904B devices to be used in the most rugged, environmentally challenging applications.

The LM358B and LM2904B amplifiers are available in micro-sized packaging, such as the SOT23-8, as well as industry standard packages including SOIC, TSSOP, and VSSOP.

Subscribe to Welllinkchips !
Your Name
* Email
Submit a request