0
LM2674
  • LM2674
  • LM2674
  • LM2674
  • LM2674
  • LM2674
  • LM2674
  • LM2674

LM2674

ACTIVE

SIMPLE SWITCHER® 40V, 500mA Low Component Count Step-Down Regulator

Texas Instruments LM2674 Product Info

1 April 2026 0

Parameters

Rating

Catalog

Topology

Buck

Iout (max) (A)

0.5

Vin (max) (V)

40

Vin (min) (V)

6.5

Vout (max) (V)

37

Vout (min) (V)

1.23

Features

Enable, Overcurrent protection

Control mode

Voltage mode

Operating temperature range (°C)

-40 to 125

Iq (typ) (A)

0.0025

Duty cycle (max) (%)

95

Package

PDIP (P)-8-92.5083 mm² 9.81 x 9.43

Features

  • New product available:
  • For faster time to market:
  • Efficiency up to 96%
  • Available in 8-pin SOIC, PDIP, and 16-pin WSON packages
  • Simple and easy to design with
  • Requires only five external components
  • Uses readily available standard inductors
  • 3V, 5V, 12V, and adjustable output versions
  • 1.21V to 37V adjustable version output voltage range
  • ±1.5% maximum output voltage tolerance over line and load conditions
  • Specified 500mA output load current
  • 0.25Ω DMOS output switch
  • 8V to 40V wide input voltage range
  • 260kHz fixed frequency internal oscillator
  • TTL shutdown capability, low power standby mode
  • Thermal shutdown and current limit protection
  • Create a custom design using the LM2674 with the WEBENCH® Power Designer
  • New product available:
  • For faster time to market:
  • Efficiency up to 96%
  • Available in 8-pin SOIC, PDIP, and 16-pin WSON packages
  • Simple and easy to design with
  • Requires only five external components
  • Uses readily available standard inductors
  • 3V, 5V, 12V, and adjustable output versions
  • 1.21V to 37V adjustable version output voltage range
  • ±1.5% maximum output voltage tolerance over line and load conditions
  • Specified 500mA output load current
  • 0.25Ω DMOS output switch
  • 8V to 40V wide input voltage range
  • 260kHz fixed frequency internal oscillator
  • TTL shutdown capability, low power standby mode
  • Thermal shutdown and current limit protection
  • Create a custom design using the LM2674 with the WEBENCH® Power Designer

Description

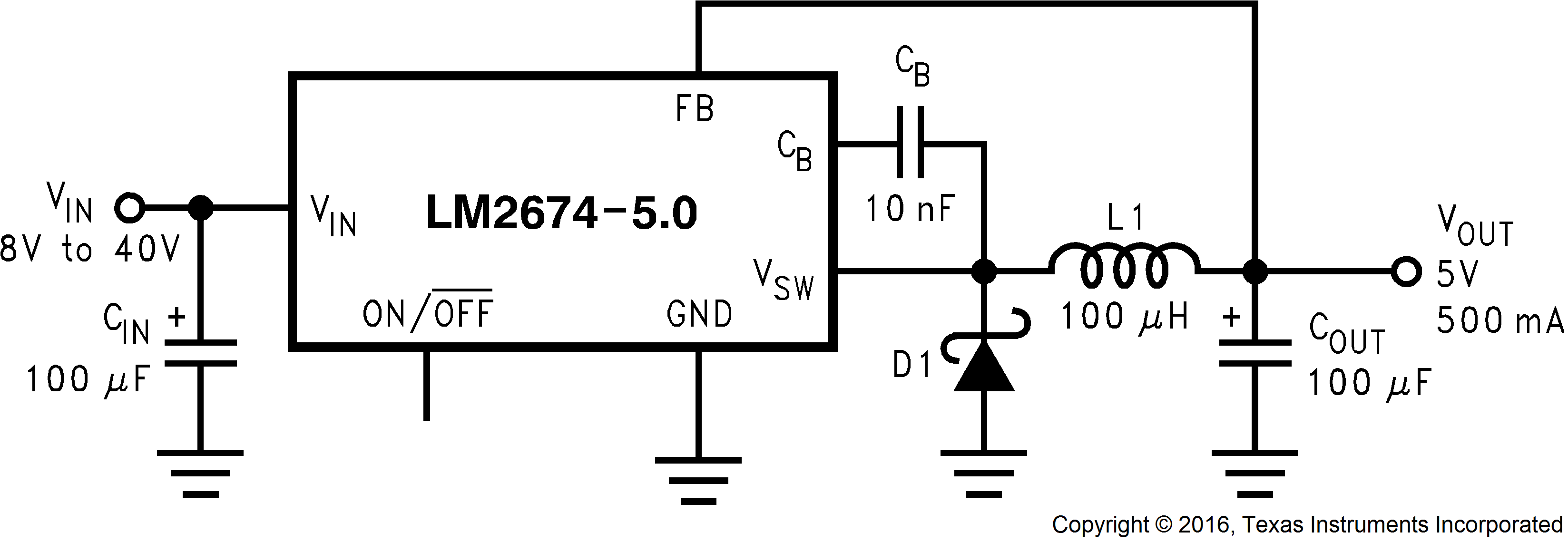
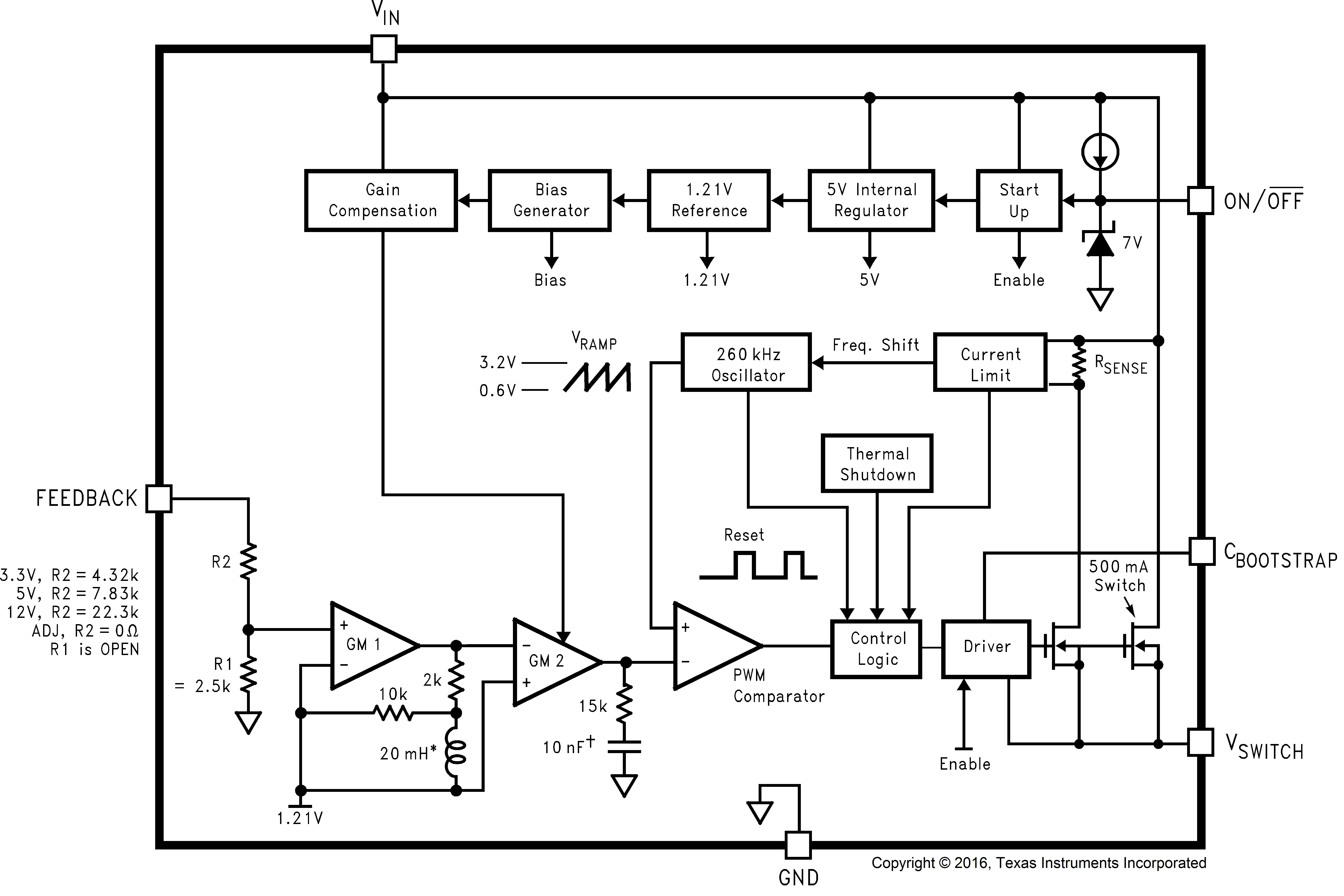
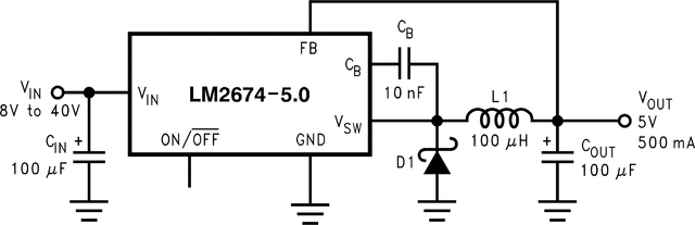
The LM2674 series of regulators are monolithic integrated circuits built with a LMDMOS process. These regulators provide all the active functions for a step-down (buck) switching regulator, capable of driving a 500mA load current with excellent line and load regulation. These devices are available in fixed output voltages of 3.3V, 5V, 12V, and an adjustable output version.

Requiring a minimum number of external components, these regulators are simple to use and include patented internal frequency compensation and a fixed frequency oscillator.

The LM2674 series operates at a switching frequency of 260kHz, thus allowing smaller sized filter components than what is required with lower frequency switching regulators. Because of very high efficiency (> 90%), the copper traces on the printed-circuit board are the only heat sinking required.

A family of standard inductors for use with the LM2674 are available from several different manufacturers. This feature greatly simplifies the design of switch-mode power supplies using these advanced ICs. Also included in the data sheet are selector guides for diodes and capacitors designed to work in switch-mode power supplies.

Other features include a specified ±1.5% tolerance on output voltage within specified input voltages and output load conditions, and ±10% on the oscillator frequency. External shutdown is included, featuring typically 50µA standby current. The output switch includes current limiting, as well as thermal shutdown for full protection under fault conditions.

The LM2674 series of regulators are monolithic integrated circuits built with a LMDMOS process. These regulators provide all the active functions for a step-down (buck) switching regulator, capable of driving a 500mA load current with excellent line and load regulation. These devices are available in fixed output voltages of 3.3V, 5V, 12V, and an adjustable output version.

Requiring a minimum number of external components, these regulators are simple to use and include patented internal frequency compensation and a fixed frequency oscillator.

The LM2674 series operates at a switching frequency of 260kHz, thus allowing smaller sized filter components than what is required with lower frequency switching regulators. Because of very high efficiency (> 90%), the copper traces on the printed-circuit board are the only heat sinking required.

A family of standard inductors for use with the LM2674 are available from several different manufacturers. This feature greatly simplifies the design of switch-mode power supplies using these advanced ICs. Also included in the data sheet are selector guides for diodes and capacitors designed to work in switch-mode power supplies.

Other features include a specified ±1.5% tolerance on output voltage within specified input voltages and output load conditions, and ±10% on the oscillator frequency. External shutdown is included, featuring typically 50µA standby current. The output switch includes current limiting, as well as thermal shutdown for full protection under fault conditions.

Subscribe to Welllinkchips !
Your Name
* Email
Submit a request