0
LM25118-Q1
  • LM25118-Q1
  • LM25118-Q1
  • LM25118-Q1
  • LM25118-Q1

LM25118-Q1

ACTIVE

3-42-V wide VIN, current mode non-synchronous buck-boost controller, AEC-Q100 qualified

Texas Instruments LM25118-Q1 Product Info

1 April 2026 2

Parameters

Rating

Automotive

Topology

Buck-Boost

Vin (max) (V)

42

Vin (min) (V)

3

Vout (max) (V)

38

Vout (min) (V)

1.23

Features

Enable, Frequency synchronization

Duty cycle (max) (%)

98

Iq (typ) (A)

0.0045

Operating temperature range (°C)

-40 to 125

Package

HTSSOP (PWP)-20-41.6 mm² 6.5 x 6.4

Features

  • AEC-Q100 Qualified for Automotive Applications
    • Device Temperature Grade 1: –40°C to +125°C Ambient Operating Temperature
    • Device HBM ESD Classification Level 2
    • Device CDM ESD Classification Level C6
  • Input Voltage Operating Range From 3 V to 42 V
  • Emulated Peak Current Mode Control
  • Smooth Transition Between Step-Down and Step-Up Modes
  • Switching Frequency Programmable to 500 KHz
  • Oscillator Synchronization Capability
  • Internal High Voltage Bias Regulator
  • Integrated High and Low-Side Gate Drivers
  • Programmable Soft-Start Time
  • Ultra-Low Shutdown Current
  • Enable Input
  • Wide Bandwidth Error Amplifier
  • 1.5% Feedback Reference Accuracy
  • Thermal Shutdown
  • Package: 20-Pin HTSSOP (Exposed Pad)
  • Create a Custom Design Using the LM25118-Q1 With the WEBENCH® Power Designer
  • AEC-Q100 Qualified for Automotive Applications
    • Device Temperature Grade 1: –40°C to +125°C Ambient Operating Temperature
    • Device HBM ESD Classification Level 2
    • Device CDM ESD Classification Level C6
  • Input Voltage Operating Range From 3 V to 42 V
  • Emulated Peak Current Mode Control
  • Smooth Transition Between Step-Down and Step-Up Modes
  • Switching Frequency Programmable to 500 KHz
  • Oscillator Synchronization Capability
  • Internal High Voltage Bias Regulator
  • Integrated High and Low-Side Gate Drivers
  • Programmable Soft-Start Time
  • Ultra-Low Shutdown Current
  • Enable Input
  • Wide Bandwidth Error Amplifier
  • 1.5% Feedback Reference Accuracy
  • Thermal Shutdown
  • Package: 20-Pin HTSSOP (Exposed Pad)
  • Create a Custom Design Using the LM25118-Q1 With the WEBENCH® Power Designer

Description

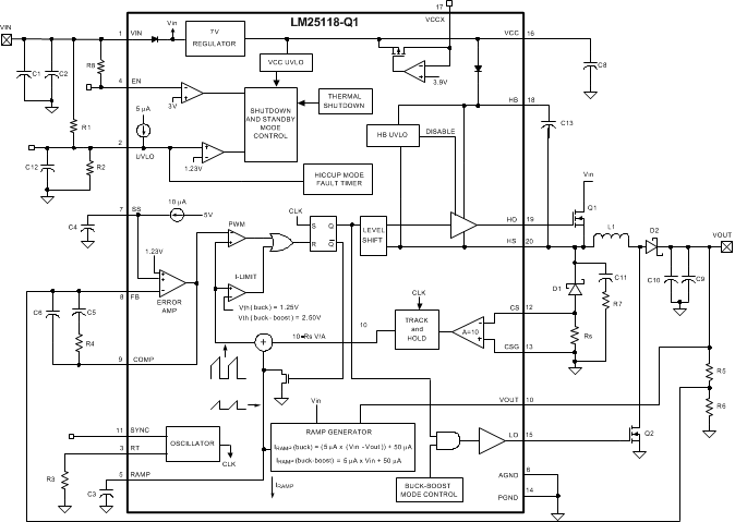
The LM25118-Q1 wide voltage range Buck-Boost switching regulator controller features all of the functions necessary to implement a high-performance, cost-efficient Buck-Boost regulator using a minimum of external components. The Buck-Boost topology maintains output voltage regulation when the input voltage is either less than or greater than the output voltage making it especially suitable for automotive applications. The LM25118 operates as a buck regulator while the input voltage is sufficiently greater than the regulated output voltage and gradually transitions to the buck-boost mode as the input voltage approaches the output. This dual-mode approach maintains regulation over a wide range of input voltages with optimal conversion efficiency in the buck mode and a glitch-free output during mode transitions. This easy-to-use controller includes drivers for the high-side buck MOSFET and the low-side boost MOSFET. The control method of the regulator is based upon current mode control using an emulated current ramp. Emulated current mode control reduces noise sensitivity of the pulse-width modulation circuit, allowing reliable control of the very small duty cycles necessary in high input voltage applications. Additional protection features include current limit, thermal shutdown, and an enable input. The device is available in a power-enhanced, 20-pin HTSSOP package featuring an exposed die attach pad to aid thermal dissipation.

The LM25118-Q1 wide voltage range Buck-Boost switching regulator controller features all of the functions necessary to implement a high-performance, cost-efficient Buck-Boost regulator using a minimum of external components. The Buck-Boost topology maintains output voltage regulation when the input voltage is either less than or greater than the output voltage making it especially suitable for automotive applications. The LM25118 operates as a buck regulator while the input voltage is sufficiently greater than the regulated output voltage and gradually transitions to the buck-boost mode as the input voltage approaches the output. This dual-mode approach maintains regulation over a wide range of input voltages with optimal conversion efficiency in the buck mode and a glitch-free output during mode transitions. This easy-to-use controller includes drivers for the high-side buck MOSFET and the low-side boost MOSFET. The control method of the regulator is based upon current mode control using an emulated current ramp. Emulated current mode control reduces noise sensitivity of the pulse-width modulation circuit, allowing reliable control of the very small duty cycles necessary in high input voltage applications. Additional protection features include current limit, thermal shutdown, and an enable input. The device is available in a power-enhanced, 20-pin HTSSOP package featuring an exposed die attach pad to aid thermal dissipation.

Subscribe to Welllinkchips !
Your Name
* Email
Submit a request