0
DRV8884
  • DRV8884
  • DRV8884
  • DRV8884

DRV8884

ACTIVE

37-V, 1-A bipolar stepper motor driver with current regulation & 1/16 microstepping

Texas Instruments DRV8884 Product Info

1 April 2026 1

Parameters

Vs ABS (max) (V)

40

Vs (min) (V)

8

Peak output current (A)

1.7

Control mode

STEP/DIR

Control interface

Hardware (GPIO)

Number of full bridges

2

Full-scale current (A)

1

RDS(ON) (HS + LS) (mΩ)

1400

Sleep current (µA)

3

Microstepping levels

16

Decay mode

Mixed, Slow

Rating

Catalog

Operating temperature range (°C)

-40 to 125

Package

HTSSOP (PWP)-24-49.92 mm² 7.8 x 6.4

Features

  • PWM microstepping stepper motor driver
    • Up to 1/16 microstepping
    • Non-circular and standard ½ step modes
  • Integrated current sense functionality
    • No sense resistors required
    • ±6.25% Full-scale current accuracy
  • Slow and mixed decay options
  • 8.0- to 37-V Operating supply voltage range
  • Low RDS(ON): 1.4 Ω HS + LS at 24 V, 25°C
  • High current capacity
    • 1.0-A Full scale per bridge
    • 0.7-A rms per bridge
  • Fixed off-time PWM chopping
  • Simple STEP/DIR interface
  • Low-current sleep mode (20 µA)
  • Small package and footprint
    • 24 HTSSOP PowerPAD™ package
    • 28 WQFN package
  • Protection features
    • VM undervoltage lockout (UVLO)
    • Charge pump undervoltage (CPUV)
    • Overcurrent protection (OCP)
    • Thermal shutdown (TSD)
    • Fault condition indication pin (nFAULT)
  • PWM microstepping stepper motor driver
    • Up to 1/16 microstepping
    • Non-circular and standard ½ step modes
  • Integrated current sense functionality
    • No sense resistors required
    • ±6.25% Full-scale current accuracy
  • Slow and mixed decay options
  • 8.0- to 37-V Operating supply voltage range
  • Low RDS(ON): 1.4 Ω HS + LS at 24 V, 25°C
  • High current capacity
    • 1.0-A Full scale per bridge
    • 0.7-A rms per bridge
  • Fixed off-time PWM chopping
  • Simple STEP/DIR interface
  • Low-current sleep mode (20 µA)
  • Small package and footprint
    • 24 HTSSOP PowerPAD™ package
    • 28 WQFN package
  • Protection features
    • VM undervoltage lockout (UVLO)
    • Charge pump undervoltage (CPUV)
    • Overcurrent protection (OCP)
    • Thermal shutdown (TSD)
    • Fault condition indication pin (nFAULT)

Description

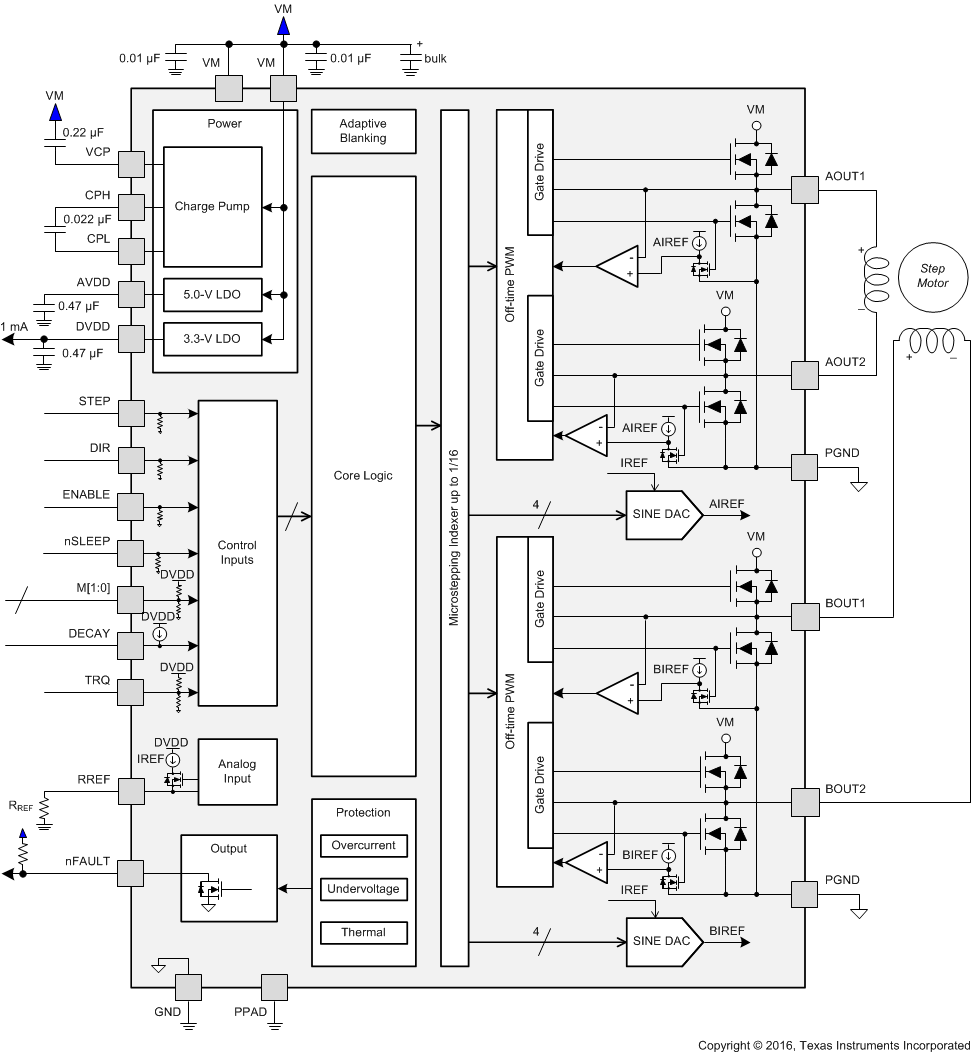
The DRV8884 device is a stepper motor driver for industrial equipment applications. The device has two N-channel power MOSFET H-bridge drivers, a microstepping indexer, and integrated current sense. The DRV8884 is capable of driving up to 1.0-A full scale or 0.7-A rms output current (depending on proper PCB ground plane for thermal dissipation and at 24 V and TA = 25°C).

The DRV8884 integrated current sense functionality eliminates the need for two external sense resistors.

The STEP/DIR pins provide a simple control interface. The device can be configured in full-step up to 1/16 step modes. A low-power sleep mode is provided for very-low quiescent current standby using a dedicated nSLEEP pin.

Internal protection functions are provided for undervoltage, charge pump faults, overcurrent, short circuits, and overtemperature. Fault conditions are indicated by an nFAULT pin.

The DRV8884 device is a stepper motor driver for industrial equipment applications. The device has two N-channel power MOSFET H-bridge drivers, a microstepping indexer, and integrated current sense. The DRV8884 is capable of driving up to 1.0-A full scale or 0.7-A rms output current (depending on proper PCB ground plane for thermal dissipation and at 24 V and TA = 25°C).

The DRV8884 integrated current sense functionality eliminates the need for two external sense resistors.

The STEP/DIR pins provide a simple control interface. The device can be configured in full-step up to 1/16 step modes. A low-power sleep mode is provided for very-low quiescent current standby using a dedicated nSLEEP pin.

Internal protection functions are provided for undervoltage, charge pump faults, overcurrent, short circuits, and overtemperature. Fault conditions are indicated by an nFAULT pin.

Subscribe to Welllinkchips !
Your Name
* Email
Submit a request