0
DRV8823-Q1
  • DRV8823-Q1
  • DRV8823-Q1

DRV8823-Q1

ACTIVE

Automotive, 34-V, 1-A, bipolar dual stepper or quad H-bridge motor driver with current regulation

Texas Instruments DRV8823-Q1 Product Info

1 April 2026 0

Parameters

Vs ABS (max) (V)

34

Vs (min) (V)

8

Peak output current (A)

1.5

Control mode

Serial

Control interface

Serial

Number of full bridges

4

Full-scale current (A)

1

RDS(ON) (HS + LS) (mΩ)

550

Sleep current (µA)

12

Microstepping levels

8

Decay mode

Mixed, Slow

Features

Current Regulation

Rating

Automotive

Operating temperature range (°C)

-40 to 125

Package

HTSSOP (DCA)-48-101.25 mm² 12.5 x 8.1

Features

  • Qualified for Automotive Applications
  • AEC-Q100 Qualified with the Following Results:
    • Device Temperature Grade 1: –40°C to 125°C
      Ambient Operating Temperature Range
    • Device HBM ESD Classification Level H2
    • Device CDM ESD Classification Level C4B
  • PWM Motor Driver with Four H-Bridges
    • Drives Two Stepper Motors, One Stepper and
      Two DC Motors, or Four DC Motors
    • Up to 1.5-A Current Per Winding
    • Low On-Resistance
    • Programmable Maximum Winding Current
    • Three-Bit Winding Current Control Allows up to
      Eight Current Levels
    • Selectable Slow or Mixed Decay Modes
  • 8-V to 32-V Operating Supply Voltage Range
  • Internal Charge Pump for Gate Drive
  • Built-in 3.3-V Reference
  • Serial Digital Control Interface
  • Fully Protected Against Undervoltage,
    Overtemperature, and Overcurrent
  • Thermally-Enhanced Surface Mount Package
  • Qualified for Automotive Applications
  • AEC-Q100 Qualified with the Following Results:
    • Device Temperature Grade 1: –40°C to 125°C
      Ambient Operating Temperature Range
    • Device HBM ESD Classification Level H2
    • Device CDM ESD Classification Level C4B
  • PWM Motor Driver with Four H-Bridges
    • Drives Two Stepper Motors, One Stepper and
      Two DC Motors, or Four DC Motors
    • Up to 1.5-A Current Per Winding
    • Low On-Resistance
    • Programmable Maximum Winding Current
    • Three-Bit Winding Current Control Allows up to
      Eight Current Levels
    • Selectable Slow or Mixed Decay Modes
  • 8-V to 32-V Operating Supply Voltage Range
  • Internal Charge Pump for Gate Drive
  • Built-in 3.3-V Reference
  • Serial Digital Control Interface
  • Fully Protected Against Undervoltage,
    Overtemperature, and Overcurrent
  • Thermally-Enhanced Surface Mount Package

Description

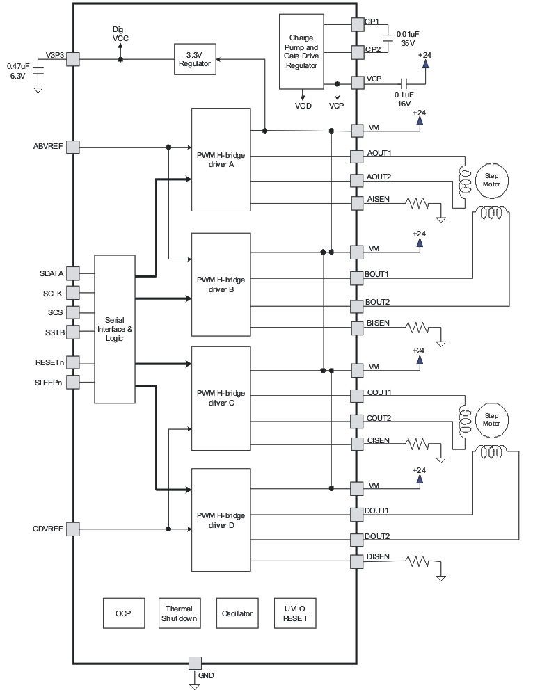
The DRV8823-Q1 device provides an integrated motor driver solution for printers and other office automation equipment applications.

The motor driver circuit includes four H-bridge drivers. Each of the motor driver blocks employ N-channel power MOSFETs configured as an H-bridge to drive the motor windings.

A simple serial interface allows control of all functions of the motor driver with only a few digital signals. A low-power sleep function is also provided.

The motor drivers provide PWM current control capability. The current is programmable, based on an externally supplied reference voltage and an external current sense resistor. In addition, eight current levels (set through the serial interface) allow microstepping with bipolar stepper motors.

Internal shutdown functions are provided for overcurrent protection, short-circuit protection, undervoltage lockout, and overtemperature.

The DRV8823-Q1 is packaged in a 48-pin HTSSOP package (Eco-friendly: RoHS and no Sb/Br).

The DRV8823-Q1 device provides an integrated motor driver solution for printers and other office automation equipment applications.

The motor driver circuit includes four H-bridge drivers. Each of the motor driver blocks employ N-channel power MOSFETs configured as an H-bridge to drive the motor windings.

A simple serial interface allows control of all functions of the motor driver with only a few digital signals. A low-power sleep function is also provided.

The motor drivers provide PWM current control capability. The current is programmable, based on an externally supplied reference voltage and an external current sense resistor. In addition, eight current levels (set through the serial interface) allow microstepping with bipolar stepper motors.

Internal shutdown functions are provided for overcurrent protection, short-circuit protection, undervoltage lockout, and overtemperature.

The DRV8823-Q1 is packaged in a 48-pin HTSSOP package (Eco-friendly: RoHS and no Sb/Br).

Subscribe to Welllinkchips !
Your Name
* Email
Submit a request