0
BQ24100
  • BQ24100
  • BQ24100

BQ24100

ACTIVE

Standalone 1cell 2A synchronous Buck battery charger

Texas Instruments BQ24100 Product Info

1 April 2026 0

Parameters

Rating

Catalog

Number of series cells

1

Cell chemistry

Li-Ion/Li-Polymer

Charge current (max) (A)

2

Features

BAT temp thermistor monitoring (hot/cold profile), Input OVP

Vin (min) (V)

4.35

Vin (max) (V)

16

Absolute max Vin (max) (V)

20

Control topology

Switch-Mode Buck

Battery charge voltage (min) (V)

4.2

Battery charge voltage (max) (V)

4.2

Control interface

Standalone (RC-Settable)

Operating temperature range (°C)

-40 to 85

Package

VQFN (RHL)-20-15.75 mm² 4.5 x 3.5

Features

  • Ideal For Highly Efficient Charger Designs For
    Single-, Two-, or Three-Cell Li-Ion and Li-Polymer
    Battery Packs
  • bq24105 Also for LiFePO4 Battery (see Using
    bq24105 to Charge the LiFePO4 Battery
    )
  • Integrated Synchronous Fixed-Frequency PWM
    Controller Operating at 1.1 MHz With 0% to 100%
    Duty Cycle
  • Integrated Power FETs for Up To 2-A Charge
    Rate
  • High-Accuracy Voltage and Current Regulation
  • Available in Both Stand-Alone (Built-In Charge
    Management and Control) and System-Controlled
    (Under System Command) Versions
  • Status Outputs for LED or Host Processor
    Interface Indicates Charge-In-Progress, Charge
    Completion, Fault, and AC-Adapter Present
    Conditions
  • 20-V Maximum Voltage Rating on IN and OUT
    Pins
  • High-Side Battery Current Sensing
  • Battery Temperature Monitoring
  • Automatic Sleep Mode for Low Power
    Consumption
  • System-Controlled Version Can Be Used in NiMH
    and NiCd Applications
  • Reverse Leakage Protection Prevents Battery
    Drainage
  • Thermal Shutdown and Protection
  • Built-In Battery Detection
  • Available in 20-Pin, 3.50 mm × 4.50 mm VQFN
    Package
  • APPLICATIONS
    • Handheld Products
    • Portable Media Players
    • Industrial and Medical Equipment
    • Portable Equipment

All other trademarks are the property of their respective owners

  • Ideal For Highly Efficient Charger Designs For
    Single-, Two-, or Three-Cell Li-Ion and Li-Polymer
    Battery Packs
  • bq24105 Also for LiFePO4 Battery (see Using
    bq24105 to Charge the LiFePO4 Battery
    )
  • Integrated Synchronous Fixed-Frequency PWM
    Controller Operating at 1.1 MHz With 0% to 100%
    Duty Cycle
  • Integrated Power FETs for Up To 2-A Charge
    Rate
  • High-Accuracy Voltage and Current Regulation
  • Available in Both Stand-Alone (Built-In Charge
    Management and Control) and System-Controlled
    (Under System Command) Versions
  • Status Outputs for LED or Host Processor
    Interface Indicates Charge-In-Progress, Charge
    Completion, Fault, and AC-Adapter Present
    Conditions
  • 20-V Maximum Voltage Rating on IN and OUT
    Pins
  • High-Side Battery Current Sensing
  • Battery Temperature Monitoring
  • Automatic Sleep Mode for Low Power
    Consumption
  • System-Controlled Version Can Be Used in NiMH
    and NiCd Applications
  • Reverse Leakage Protection Prevents Battery
    Drainage
  • Thermal Shutdown and Protection
  • Built-In Battery Detection
  • Available in 20-Pin, 3.50 mm × 4.50 mm VQFN
    Package
  • APPLICATIONS
    • Handheld Products
    • Portable Media Players
    • Industrial and Medical Equipment
    • Portable Equipment

All other trademarks are the property of their respective owners

Description

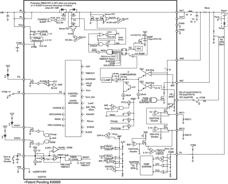
The bqSWITCHER™ series are highly integrated Li-ion and Li-polymer switch-mode charge management devices targeted at a wide range of portable applications. The bqSWITCHER™ series offers integrated synchronous PWM controller and power FETs, high-accuracy current and voltage regulation, charge preconditioning, charge status, and charge termination, in a small, thermally enhanced VQFN package. The system-controlled version provides additional inputs for full charge management under system control.

The bqSWITCHER™ charges the battery in three phases: conditioning, constant current, and constant voltage. Charge is terminated based on user- selectable minimum current level. A programmable charge timer provides a safety backup for charge termination. The bqSWITCHER™ automatically restarts the charge cycle if the battery voltage falls below an internal threshold. The bqSWITCHER™ automatically enters sleep mode when VCC supply is removed.

The bqSWITCHER™ series are highly integrated Li-ion and Li-polymer switch-mode charge management devices targeted at a wide range of portable applications. The bqSWITCHER™ series offers integrated synchronous PWM controller and power FETs, high-accuracy current and voltage regulation, charge preconditioning, charge status, and charge termination, in a small, thermally enhanced VQFN package. The system-controlled version provides additional inputs for full charge management under system control.

The bqSWITCHER™ charges the battery in three phases: conditioning, constant current, and constant voltage. Charge is terminated based on user- selectable minimum current level. A programmable charge timer provides a safety backup for charge termination. The bqSWITCHER™ automatically restarts the charge cycle if the battery voltage falls below an internal threshold. The bqSWITCHER™ automatically enters sleep mode when VCC supply is removed.

Subscribe to Welllinkchips !
Your Name
* Email
Submit a request