0
ADS62P19
  • ADS62P19
  • ADS62P19

ADS62P19

ACTIVE

Dual-Channel, 11-Bit, 250-MSPS Analog-to-Digital Converter (ADC)

Texas Instruments ADS62P19 Product Info

1 April 2026 0

Parameters

Sample rate (max) (Msps)

250

Resolution (Bits)

11

Number of input channels

2

Interface type

DDR LVDS, Parallel CMOS

Analog input BW (MHz)

700

Features

High Performance

Rating

Catalog

Peak-to-peak input voltage range (V)

2

Power consumption (typ) (mW)

1250

Architecture

Pipeline

SNR (dB)

66.5

ENOB (Bits)

10.6

SFDR (dB)

98

Operating temperature range (°C)

-40 to 85

Input buffer

No

Package

VQFN (RGC)-64-81 mm² 9 x 9

Features

  • Maximum Sample Rate: 250 MSPS
  • 11-Bit Resolution
  • Total Power: 1.25 W at 250 MSPS
  • Output Options:
    • DDR LVDS and Parallel CMOS
  • Programmable Gain:
    • Up to 6 dB for SNR and SFDR Trade-Off
  • DC Offset Correction
  • Crosstalk: 90 dB
  • Supports Input Clock Amplitude Down to
    400 mVPP, Differential
  • Internal and External Reference Support
  • Package: 9-mm × 9-mm QFN-64

All trademarks are the property of their respective owners.

  • Maximum Sample Rate: 250 MSPS
  • 11-Bit Resolution
  • Total Power: 1.25 W at 250 MSPS
  • Output Options:
    • DDR LVDS and Parallel CMOS
  • Programmable Gain:
    • Up to 6 dB for SNR and SFDR Trade-Off
  • DC Offset Correction
  • Crosstalk: 90 dB
  • Supports Input Clock Amplitude Down to
    400 mVPP, Differential
  • Internal and External Reference Support
  • Package: 9-mm × 9-mm QFN-64

All trademarks are the property of their respective owners.

Description

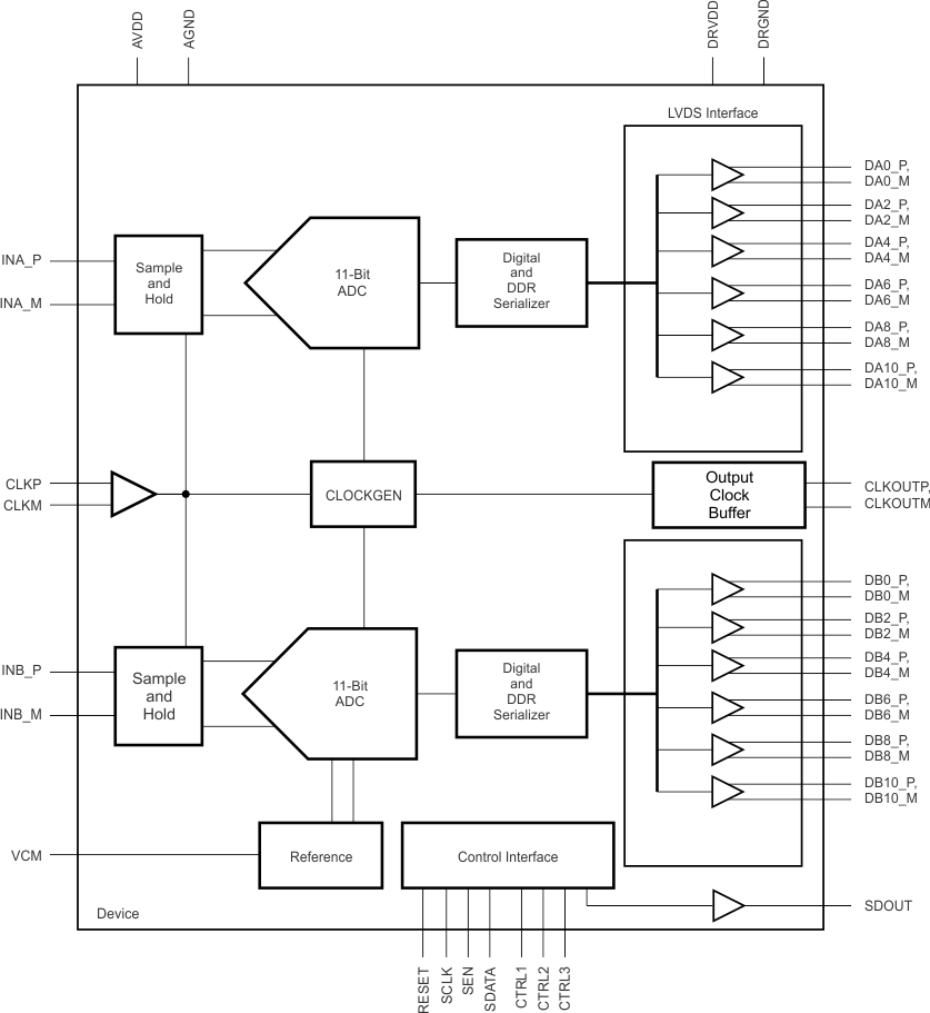
The ADS62P19 is part of a family of dual-channel, 11-bit, analog-to-digital converters (ADCs) with sampling rates up to 250 MSPS. The device combines high dynamic performance and low power consumption in a compact QFN-64 package. This functionality makes the device well-suited for multi-carrier, wide-bandwidth communication applications.

The ADS62P19 has gain options that can be used to improve spurious-free dynamic range (SFDR) performance at lower full-scale input ranges. The device includes a dc offset correction loop that can be used to cancel ADC offset. Both double data rate (DDR) low-voltage differential signaling (LVDS) and parallel complementary metal oxide semiconductor (CMOS) digital output interfaces are available.

Although the device includes internal references, the traditional reference pins and associated decoupling capacitors are eliminated. Nevertheless, the device can also be driven with an external reference. The device is specified over the industrial temperature range (–40°C to +85°C).

The ADS62P19 is part of a family of dual-channel, 11-bit, analog-to-digital converters (ADCs) with sampling rates up to 250 MSPS. The device combines high dynamic performance and low power consumption in a compact QFN-64 package. This functionality makes the device well-suited for multi-carrier, wide-bandwidth communication applications.

The ADS62P19 has gain options that can be used to improve spurious-free dynamic range (SFDR) performance at lower full-scale input ranges. The device includes a dc offset correction loop that can be used to cancel ADC offset. Both double data rate (DDR) low-voltage differential signaling (LVDS) and parallel complementary metal oxide semiconductor (CMOS) digital output interfaces are available.

Although the device includes internal references, the traditional reference pins and associated decoupling capacitors are eliminated. Nevertheless, the device can also be driven with an external reference. The device is specified over the industrial temperature range (–40°C to +85°C).

Subscribe to Welllinkchips !
Your Name
* Email
Submit a request