0
ADS62C17
  • ADS62C17
  • ADS62C17

ADS62C17

ACTIVE

Dual-Channel, 11-Bit, 200-MSPS Analog-to-Digital Converter (ADC)

Texas Instruments ADS62C17 Product Info

1 April 2026 0

Parameters

Sample rate (max) (Msps)

200

Resolution (Bits)

11

Number of input channels

2

Interface type

Parallel LVDS

Analog input BW (MHz)

700

Features

High Performance

Rating

Catalog

Peak-to-peak input voltage range (V)

2

Power consumption (typ) (mW)

1081

Architecture

Pipeline

SNR (dB)

67

ENOB (Bits)

10.8

SFDR (dB)

85

Operating temperature range (°C)

-40 to 85

Input buffer

No

Package

VQFN (RGC)-64-81 mm² 9 x 9

Features

  • Maximum Sample Rate: 200 MSPS
  • 11-bit Resolution with No Missing Codes
  • 90 dBc SFDR at Fin = 10 MHz
  • 79.8 dBFS SNR at 125 MHz IF, 20 MHz BW
    using TI proprietary SNRBoost technology
  • Total Power 1.1 W at 200 MSPS
  • 90 dB Cross-talk
  • Double Data Rate (DDR) LVDS and Parallel
    CMOS Output Options
  • Programmable Gain up to 6dB for SNR/SFDR Trade-off
  • DC Offset Correction
  • Gain Tuning Capability in Fine Steps (0.001 dB)
    Allows Channel-to-channel Gain Matching
  • Supports Input Clock Amplitude Down to
    400 mV p-p Differential
  • Internal and External Reference Support
  • 64-QFN Package (9 mm × 9 mm)

  • Maximum Sample Rate: 200 MSPS
  • 11-bit Resolution with No Missing Codes
  • 90 dBc SFDR at Fin = 10 MHz
  • 79.8 dBFS SNR at 125 MHz IF, 20 MHz BW
    using TI proprietary SNRBoost technology
  • Total Power 1.1 W at 200 MSPS
  • 90 dB Cross-talk
  • Double Data Rate (DDR) LVDS and Parallel
    CMOS Output Options
  • Programmable Gain up to 6dB for SNR/SFDR Trade-off
  • DC Offset Correction
  • Gain Tuning Capability in Fine Steps (0.001 dB)
    Allows Channel-to-channel Gain Matching
  • Supports Input Clock Amplitude Down to
    400 mV p-p Differential
  • Internal and External Reference Support
  • 64-QFN Package (9 mm × 9 mm)

Description

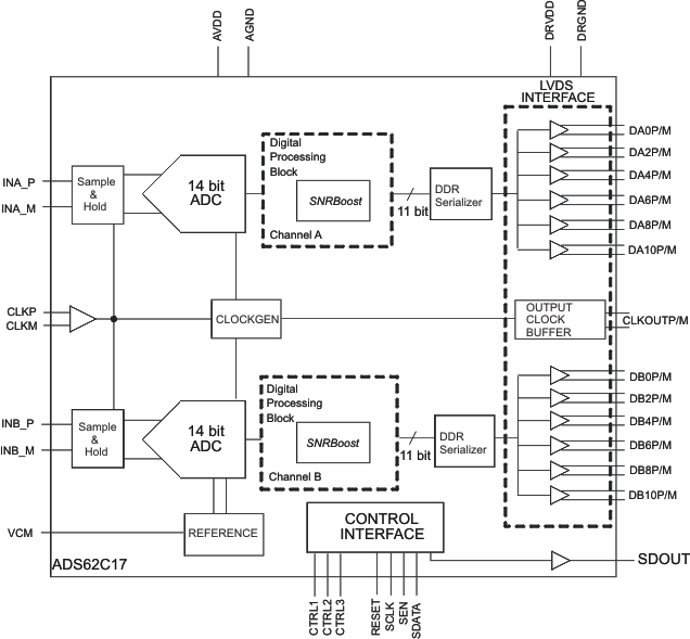
ADS62C17 is a dual channel 11-bit, 200 MSPS A/D converter that combines high dynamic performance and low power consumption in a compact 64 QFN package. This makes it well-suited for multi-carrier, wide band-width communications applications.

ADS62C17 uses TI-proprietary SNRBoost technology that can be used to overcome SNR limitation due to quantization noise for bandwidths less than Nyquist (Fs/2). It includes several useful and commonly used digital functions such as ADC offset correction, gain (0 to 6 dB in steps of 0.5 dB) and gain tuning (in fine steps of 0.001 dB).

The gain option can be used to improve SFDR performance at lower full-scale input ranges. Using the gain tuning capability, each channel’s gain can be set independently to improve channel-to-channel gain matching. The device also includes a dc offset correction loop that can be used to cancel the ADC offset.

Both DDR LVDS (Double Data Rate) and parallel CMOS digital output interfaces are available. It includes internal references while the traditional reference pins and associated decoupling capacitors have been eliminated. Nevertheless, the device can also be driven with an external reference.

The device is specified over the industrial temperature range (–40°C to 85°C).

ADS62C17 is a dual channel 11-bit, 200 MSPS A/D converter that combines high dynamic performance and low power consumption in a compact 64 QFN package. This makes it well-suited for multi-carrier, wide band-width communications applications.

ADS62C17 uses TI-proprietary SNRBoost technology that can be used to overcome SNR limitation due to quantization noise for bandwidths less than Nyquist (Fs/2). It includes several useful and commonly used digital functions such as ADC offset correction, gain (0 to 6 dB in steps of 0.5 dB) and gain tuning (in fine steps of 0.001 dB).

The gain option can be used to improve SFDR performance at lower full-scale input ranges. Using the gain tuning capability, each channel’s gain can be set independently to improve channel-to-channel gain matching. The device also includes a dc offset correction loop that can be used to cancel the ADC offset.

Both DDR LVDS (Double Data Rate) and parallel CMOS digital output interfaces are available. It includes internal references while the traditional reference pins and associated decoupling capacitors have been eliminated. Nevertheless, the device can also be driven with an external reference.

The device is specified over the industrial temperature range (–40°C to 85°C).