0
ADS61JB23
  • ADS61JB23
  • ADS61JB23

ADS61JB23

ACTIVE

12-Bit, 80-MSPS Analog-to-Digital Converter (ADC)

Texas Instruments ADS61JB23 Product Info

1 April 2026 1

Parameters

Sample rate (max) (Msps)

80

Resolution (Bits)

12

Number of input channels

1

Interface type

JESD204A

Analog input BW (MHz)

480

Features

High Performance

Rating

Catalog

Peak-to-peak input voltage range (V)

2

Power consumption (typ) (mW)

440

Architecture

Pipeline

SNR (dB)

71.7

ENOB (Bits)

11.5

SFDR (dB)

80

Operating temperature range (°C)

-40 to 85

Input buffer

Yes

Package

VQFN (RHA)-40-36 mm² 6 x 6

Features

  • Output Interface:
    • Single-Lane and Dual-Lane Interfaces
    • Maximum Data Rate of 1.6 Gbps
    • Meets JESD204A Specification
    • CML Outputs with Current Programmable from 2 mA – 32 mA
  • Power Dissipation:
    • 440 mW at 80 MSPS in Single Lane Mode
    • Power Scales Down with Clock Rate
  • Input Interface: Buffered Analog Inputs
  • 71.7 dBFS SNR at 70 MHz IF
  • Analog Input FSR: 2 Vpp
  • External and Internal (trimmed) Reference Support
  • 1.8V Supply (Analog and digital), 3.3 V Supply for Input Buffer
  • Programmable Digital Gain: 0dB – 6dB
  • Straight Offset Binary or Twos Complement Output
  • Package:
    • 6 mm × 6 mm QFN-40
  • Output Interface:
    • Single-Lane and Dual-Lane Interfaces
    • Maximum Data Rate of 1.6 Gbps
    • Meets JESD204A Specification
    • CML Outputs with Current Programmable from 2 mA – 32 mA
  • Power Dissipation:
    • 440 mW at 80 MSPS in Single Lane Mode
    • Power Scales Down with Clock Rate
  • Input Interface: Buffered Analog Inputs
  • 71.7 dBFS SNR at 70 MHz IF
  • Analog Input FSR: 2 Vpp
  • External and Internal (trimmed) Reference Support
  • 1.8V Supply (Analog and digital), 3.3 V Supply for Input Buffer
  • Programmable Digital Gain: 0dB – 6dB
  • Straight Offset Binary or Twos Complement Output
  • Package:
    • 6 mm × 6 mm QFN-40

Description

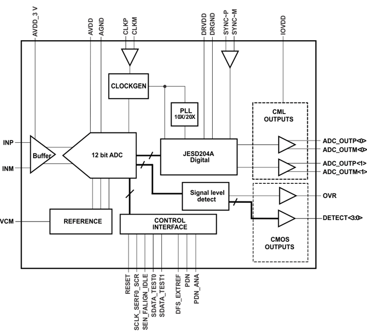
The ADS61JB23 is a high-performance, low-power, single channel analog-to-digital converter with an integrated JESD204A output interface. Available in a 6 mm × 6 mm QFN package, with both single-lane and dual-lane output modes, the ADS61JB23 offers an unprecedented level of compactness. The output interface is compatible to the JESD204A standard, with an additional mode (as per IEEE Std 802.3-2002 part3, Clause 36.2.4.12) to interface seamlessly to the TI TLK family of SERDES transceivers. Equally impressive is the inclusion of an on-chip analog input buffer, providing isolation between the sample/hold switches and higher and more consistent input impedance.

The ADS61JB23 is specified over the industrial temperature range (–40°C to 85°C).

The ADS61JB23 is a high-performance, low-power, single channel analog-to-digital converter with an integrated JESD204A output interface. Available in a 6 mm × 6 mm QFN package, with both single-lane and dual-lane output modes, the ADS61JB23 offers an unprecedented level of compactness. The output interface is compatible to the JESD204A standard, with an additional mode (as per IEEE Std 802.3-2002 part3, Clause 36.2.4.12) to interface seamlessly to the TI TLK family of SERDES transceivers. Equally impressive is the inclusion of an on-chip analog input buffer, providing isolation between the sample/hold switches and higher and more consistent input impedance.

The ADS61JB23 is specified over the industrial temperature range (–40°C to 85°C).

Subscribe to Welllinkchips !
Your Name
* Email
Submit a request