0
MAX9310A
  • MAX9310A

MAX9310A

PRODUCTION

1:5 Clock Driver with Selectable LVPECL Inputs/Single-Ended Inputs and LVDS Outputs

Analog Devices MAX9310A Product Info

10 February 2026 7

Features

  • Guaranteed 1.0GHz Operating Frequency
  • 8.0ps Output-to-Output Skew
  • 340ps Propagation Delay
  • Accepts LVPECL and Differential HSTL Inputs
  • Synchronous Output Enable/Disable
  • Two Selectable Differential Inputs
  • 3V to 3.6V Supply Voltage
  • On-Chip Reference for Single-Ended Operation
  • ESD Protection: ±2kV (Human Body Model)
  • Input Bias Resistors Drive Output Low for Open Inputs
  • Part details & applications

    The MAX9310A is a fast, low-skew 1:5 differential driver with selectable LVPECL inputs and LVDS outputs, designed for clock distribution applications. This device features an ultra-low propagation delay of 340ps with 48mA of supply current.

    The MAX9310A operates from a 3V to 3.6V power supply for use in 3.3V systems. A 2:1 input multiplexer is used to select one of two differential inputs. The input selection is controlled through the CLKSEL pin.

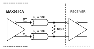
    This device features a synchronous enable function. The MAX9310A LVPECL inputs can be driven by either a differential or single-ended signal. A VBB reference voltage output is provided for use with single-ended inputs. The device can also accept differential HSTL signals.

    The MAX9310A is offered in a space-saving 20-pin TSSOP package and operates over the extended temperature range from -40°C to +85°C.

    Applications

    • Automated Test Equipment (ATE)
    • Central Office Backplane Clock Distribution
    • Data and Clock Driver and Buffer
    • DSLAM
    • Wireless Base Stations

    Subscribe to Welllinkchips !
    Your Name
    * Email
    Submit a request