0
MAX77789
  • MAX77789
  • MAX77789
  • MAX77789
  • MAX77789
  • MAX77789

MAX77789

RECOMMENDED FOR NEW DESIGNS

14VIN, 3AOUT 1-Cell Charger with Integrated USB Type-C Detection, DRP and OTG The MAX77789 is a standalone, 3.15A charger with integrated USB Type-C® CC detection and reverse boost capability.

Analog Devices MAX77789 Product Info

10 February 2026 6

Features

  • Up to 16V Protection
  • 13.4V Maximum Input Operating Voltage
  • 3.15A Maximum Charging Current
  • 6A Discharge Current Protection
  • Integrated CC Detection for USB Type-C
  • Supporting Dual Role Port (DRP)
  • DP/DN Manual Control for the HVDCP
  • Integrated BC1.2 Detection for Legacy SDP, DCP, CDP, and DCD Timeout
  • Integrated USB Detection for Common Proprietary Charger Types
  • Automatic Input Current Limit Configuration
  • Input Voltage Regulation with Adaptive Input Current Limit (AICL)
  • 5.1V, 1.5A OTG Mode and BYP Reverse Boost
  • Safety
    • Charge Safety Timer
    • JEITA Compliance with NTC Thermistor Monitor
    • Thermal Shutdown
  • Pin Control of all Functions
    • STAT1 Pin to Indicate Charging Status
    • STAT2 Pin to Indicate Fault and Charger Type Detection Complete
    • INOKB Pin to Indicate Input Power-OK
    • EXTSM Pin to Exit Ship Mode and System POR
    • STBY Pin to Support Suspend Mode
    • THM Pin to Monitor Thermistor
  • Integrated Power Path
  • Integrated Battery True-Disconnect FET
  • I2C Compatible with INTB
  • 2.85mm x 2.85mm, 6x6 WLP Package

Part details & applications

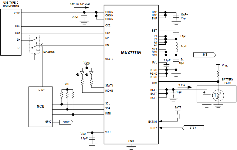
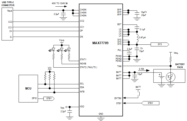
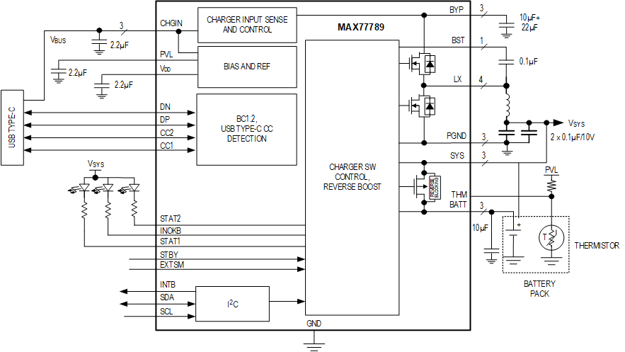
The MAX77789 is a standalone, 3.15A charger with integrated USB Type-C® CC detection and reverse-boost capability. The IC operates with an input voltage of 4.6V to 13.4V and has a maximum input current limit of 3A. The IC also implements the adaptive input current limit (AICL) function that regulates the input voltage by reducing input current, to prevent the voltage of a weak adapter from collapsing or folding back.

The USB Type-C Configuration Channel (CC) detection pins on the IC is operating in DRP (Dual Role Port) as a default and is capable of automatic USB Type-C power source detection and sink devices. To support a variety of legacy USB as well as proprietary adapters, the device also integrates BC1.2 detection using the D+ and D- pins. The IC runs the CC pin and BC1.2 detection automatically as soon as the USB plug is inserted without any software control.

The IC offers reverse-boost capability up to 5.1V, 1.5A, which can be enabled with automatic way or register set by system MCU. The STAT1 pin indicates charging status, while the INOKB pin indicates valid input voltage. The EXTSM pin can be used to exit ship mode and force system to reset (POR), and STAT2 pin indicates fault detection and charger detection done indication by register bit selection.

The IC is equipped with a Smart Power Selector and a battery true-disconnect FET to control the charging and discharging of the battery or isolate the battery in case of a fault. The IC supports Li-ion and LiFePO4 batteries with various termination voltages from 3.6V to 4.55V. The IC comes in a 2.85mm x 2.85mm, 0.4mm pitch, 6 x 6 wafer-level package (WLP) making it suitable for low-cost PCB assembly.

Applications

  • Mobile Point-of-Sale (mPOS) Terminals
  • Portable Medical Devices
  • Wireless Headphones
  • GPS Trackers
  • Charging Cradles for W

Subscribe to Welllinkchips !
Your Name
* Email
Submit a request