0
MAX5971A
  • MAX5971A

MAX5971A

NOT RECOMMENDED FOR NEW DESIGNS

Single-Port, 40W, IEEE 802.3af/at PSE Controller with Integrated MOSFET 40W, Single-Port, IEEE 802.3af/at-Compliant PSE Controller with Integrated 0.5Ω Power MOSFET and Sense Resistor

Analog Devices MAX5971A Product Info

10 February 2026 8

Features

  • IEEE 802.3af/at Compliant
  • Up to 40W for Single-Port PSE Applications
  • Integrated 0.5Ω Power MOSFET and Sense Resistor
  • PD Detection and Classification
  • Programmable Current Limit for Class 5 PDs
  • High-Capacitance Detection for Legacy Devices
  • Supports Both DC and AC Load Removal Detections
  • Current Foldback and Duty Cycle-Controlled Current Limit
  • LED Indicator for Port Status
  • Direct Fast-Shutdown Control Capability
  • Space-Saving, 28-Pin TQFN (5mm x 5mm) Package

Part details & applications

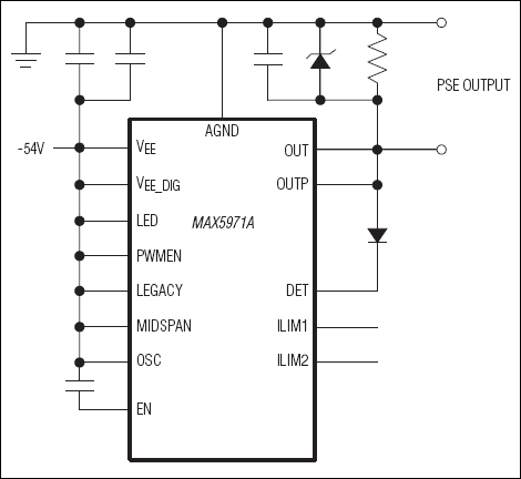
The MAX5971A is a single-port, power-sourcing equipment (PSE) power controller designed for use in IEEE® 802.3af/at-compliant PSE. This device provides powered device (PD) discovery, classification, current limit, DC and AC load-disconnect detections. The MAX5971A operates automatically without the need for any software programming and features an integrated power MOSFET and sense resistor. The device also supports new Class 5 and 2-event classification for detection and classification of high-power PDs. The MAX5971A provides up to 40W to a single port (Class 5 enabled) and still provides high-capacitance detection for legacy PDs.

The MAX5971A provides input undervoltage lockout (UVLO), input overvoltage lockout, overtemperature detection, output voltage slew-rate limit during startup, and LED status indication.

The MAX5971A is available in a space-saving, 28-pin TQFN (5mm x 5mm) power package, and is rated for the extended (-40°C to +85°C) temperature range.

Applications

  • Industrial Automation Equipment
  • Single-Port PSE End-Point Applications
  • Single-Port PSE Power Injectors (Midspan Applications)
  • Switches/Routers
  • Wireless LAN Access Points/WiMAX™ Base Station

Subscribe to Welllinkchips !
Your Name
* Email
Submit a request