0
MAX547
  • MAX547

MAX547

PRODUCTION

Octal, 13-Bit Voltage-Output DAC with Parallel Interface Octal, Parallel, Voltage-Output DACs

Analog Devices MAX547 Product Info

10 February 2026 5

Features

  • Full 13-Bit Performance without Adjustments
  • 8 DACs in One Package
  • Buffered Voltage Outputs
  • Calibrated Linearity
  • Guaranteed Monotonic to 13 Bits
  • ±5V Supply Operation
  • Unipolar or Bipolar Outputs Swing to ±4.5V
  • Fast Output Settling (5µs to ±1/2LSB)
  • Double-Buffered Digital Inputs
  • Asynchronous Load Inputs Load Pairs of DAC Latches
  • Asynchronous active-low CLR Input Resets DACs to Analog Ground
  • Power-On Reset Circuit Resets DACs to Analog Ground
  • Microprocessor and TTL/CMOS Compatible

Part details & applications

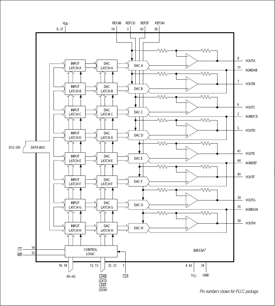
The MAX547 contains eight 13-bit, voltage-output digital-to-analog converters (DACs). On-chip precision output amplifiers provide the voltage outputs. The MAX547 operates from a ±5V supply. Bipolar output voltages with up to ±4.5V voltage swing can be achieved with no external components. The MAX547 has four separate reference inputs; each is connected to two DACs, providing different full-scale output voltages for every DAC pair.

The MAX547 features double-buffered interface logic with a 13-bit parallel data bus. Each DAC has an input latch and a DAC latch. Data in the DAC latch sets the output voltage. The eight input latches are addressed with three address lines. Data is loaded to the input latch with a single write instruction. An asynchronous load (active-low LD_) input transfers data from the input latch to the DAC latch. The four active-low LD_ inputs each control two DACs, and all DAC latches can be updated simultaneously by asserting all active-low LD_ pins. An asynchronous clear (active-low CLR) input resets the output of all eight DACs to AGND_. Asserting active-low CLR resets both the DAC and the input latch to bipolar zero (1000hex). On power-up, reset circuitry performs the same function as active-low CLR. All logic inputs are TTL/CMOS compatible. The MAX547 is available in 44-pin plastic quad flat pack and 44-pin PLCC packages.

Applications

  • Automated Test Equipment (ATE)
  • Avionics and Military Systems
  • Digital Gain and Offset Control
  • General Purpose
  • Industrial Process Controls

Subscribe to Welllinkchips !
Your Name
* Email
Submit a request