0
MAX532
  • MAX532

MAX532

PRODUCTION

Dual, Serial Input, Voltage-Output, Multiplying, 12-Bit DAC ±12V output swings for industrial applications

Analog Devices MAX532 Product Info

10 February 2026 8

Features

  • Two 12-Bit MDACs with Output Amplifiers
  • Fast, 6MHz 3-Wire Interface
  • SPI, QSPI, and Microwire Compatible
  • ±12V Output Swing
  • ±10mA Output Current
  • 2.5µs Settling Time to ±1/2LSB
  • Guaranteed Monotonic Over Temperature
  • Low Integral Nonlinearity: ±1/2LSB Max
  • Low Gain Tempco: 2ppm/°C
  • Operates from ±12V to ±15V Supplies
  • Power-On Reset
  • Available in 16-Pin DIP and Wide SO Packages

Part details & applications

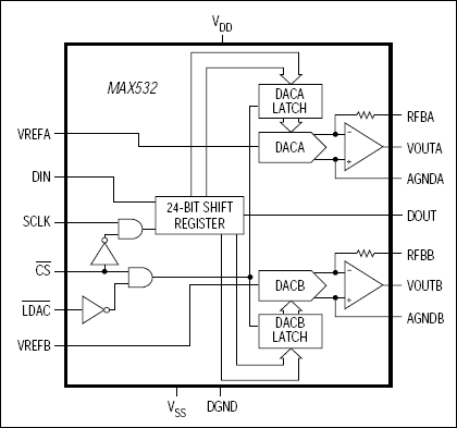
The MAX532 is a complete, dual, serial-input, 12-bit multiplying digital-to-analog converter (MDAC) with output amplifiers. No external user trims are required to achieve full specified performance. The MAX532's 3-wire serial interface minimizes the number of package pins, so it uses less board space than parallel-interface parts. The interface is SPI™, QSPI™ and Microwire™ compatible. A serial output, DOUT, allows cascading of two or more MAX532s and read-back of the data written to the device.

The device's serial interface minimizes digital-noise feed-through from its logic pins to its analog outputs. Serial interfacing also simplifies opto-coupler-isolated or transformer-isolated applications. The MAX532 is specified with ±12V to ±15V power supplies. All logic inputs are TTL and CMOS compatible. It comes in space-saving 16-pin DIP and wide SO packages.

Applications

  • Arbitrary Waveform Generation (AWG)
  • Automatic Test Equipment
  • Motion Control Systems
  • Programmable-Gain Amplifiers
  • Servo Controls

Subscribe to Welllinkchips !
Your Name
* Email
Submit a request