0
MAX529
  • MAX529

MAX529

PRODUCTION

Octal, Serial, 8-Bit DAC with Output Buffers

Analog Devices MAX529 Product Info

10 February 2026 11

Features

  • Now Available in Space-Saving SSOP
  • 8 Buffered Noninverting Outputs
  • Buffer Disable Control
  • 2 Pairs of Differential Reference Inputs
  • 3-Wire Serial Interface
  • Single +5V or Dual ±5V Supply Operation (MAX529)
  • Low-Power Shutdown
  • Stable Driving Output Capacitance Loads

Part details & applications

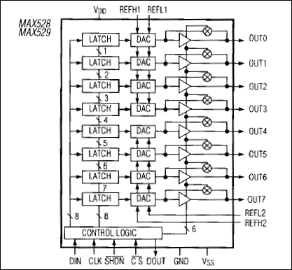
The MAX528/MAX529 are monolithic devices combining an octal 8-bit, digital-to-analog converter (DAC), 8 output buffers, and serial-interface logic in space saving shrink small outline package (SSOP). The MAX528 operates from a single supply up to 15V or from split supplies totaling up to 20V, including +5V/-15V, +12V/-5V, and +15V/-5V. The MAX529 operates from a single +5V supply or from ±5V split supplies. For both parts, a shutdown pin reduces current consumption to under 50µA, which retaining all internal DAC data.

Three output modes are serially programmable for each pair of 8 analog outputs. An unbuffered mode connects the internal R-2R DAC network directly to the output pin, reducing power consumption and avoiding the buffer's DC errors. A full-buffered mode inserts a buffer between the R-2R network and the output, providing +5mA/-2mA output drive. Half-buffered output mode is similar, but uses less power while still providing up to 15mA of output drive in a unipolar output configuration. Serial data can be "daisy-chained" from one device to another. On power-up, all data bits are reset to 0, and analog outputs enter the unbuffered mode.

Applications

  • Digital Calibration
  • Digital Gain and Offset Adjustment
  • Microcontrolled Analog Outputs
  • Multiply Trim Pot Replacement

Subscribe to Welllinkchips !
Your Name
* Email
Submit a request