0
MAX527
  • MAX527

MAX527

PRODUCTION

Calibrated, Quad, Voltage-Output, 12-Bit DAC

Analog Devices MAX527 Product Info

10 February 2026 7

Features

  • Reference Input Range Includes Ground (C, D grades)
  • Full 12-bit Performance Without Adjustments
  • 1 LSB Total Unadjusted Error ( MAX526)
  • Buffered Voltage Outputs
  • fast Output Settling
    • 3µs for MAX526
    • 5µs for MAX527
  • Double-Buffered Digital Inputs
  • Microprocessor and TTL/CMOS Compatible
  • ±5V supply Operation (MAX527)

Part details & applications

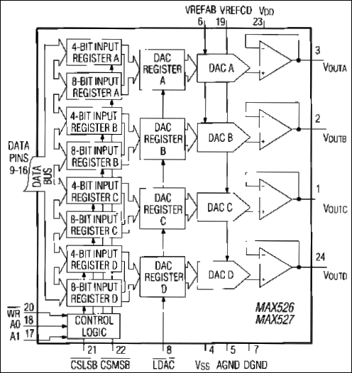
The MAX526/MAX527 contain four 12-bit, voltage-output digital-to-analog converters (DACs). Precision output buffer amplifiers are included on-chip to provide voltage outputs. The MAX527 operates with ±5V power supplies, while the MAX526 utilizes -5V and +12V to +15V supplies. Offset, gain, and linearity are factory calibrated to provide the MAX526’s 1LSB total unadjusted error (TUE).

These devices feature double-buffered interface logic with a 12-bit input register and a 12-bit DAC register. Data in the DAC register sets the DAC output voltage. The MAX526/MAX527 have an 8-bit-wide data bus. Data is loaded into the input register using the two write operations with an 8-bit LSB write load and a 4-bit MSB write load. An asynchronous load DAC (active-low LDAC) input transfers data from the input register to the DAC register. All logic inputs are TTL and CMOS compatible.

The MAX526/MAX527 are available in 24-pin, 300 mil plastic DIP, Ceramic SB, and wide SO packages.

Applications

  • Arbitrary Function Generators
  • Automatic Test Equipment
  • Digital Offset and Gain Adjustment
  • Industrial Process Controls
  • Minimum Component Count Analog Systems

Subscribe to Welllinkchips !
Your Name
* Email
Submit a request