0
MAX4928B
  • MAX4928B

MAX4928B

PRODUCTION

DisplayPort/PCIe Passive Switches The MAX4928A/MAX4928B Route Signals Between a GMCH and Either a PCIe 2.0 Socket or DisplayPort Connector

Analog Devices MAX4928B Product Info

10 February 2026 7

Features

  • Single +3.3V Power Supply Voltage
  • Supports PCIe Gen I, Gen II, and DisplayPort
    • Data Rates > 5Gbps
  • Excellent Return Loss > 12dB at 2.5GHz
  • Six Bidirectional Pairs of Switches
    • All Switching in One Device
  • Low 800µA (max) Supply Current
  • Small 5mm x 11mm, 56-Pin TQFN Package
  • Industry Standard Pinouts

Part details & applications

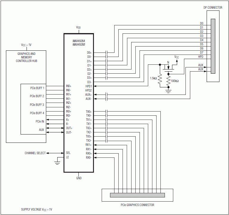
The MAX4928A/MAX4928B high-speed passive switches route PCI Express® (PCIe) data and/or DisplayPort™ signals between two possible destinations in desktop or laptop PCs. The MAX4928A is intended to be used with the ATX form factor desktop PCs, while the MAX4928B is expected to be used in the BTX form factor.

The MAX4928A/MAX4928B are hex double-pole/double-throw (6 x DPDT) switches. The MAX4928A/MAX4928B feature a single digital control input (SEL) to switch signal paths and a latch input (LE) that holds the switches in a given state.

The MAX4928A/MAX4928B are fully specified to operate from a single +3.3V (typ) power supply. The MAX4928A/MAX4928B are available in an industry standard 5mm x 11mm, 56-pin TQFN package. Both devices operate over the -40°C to +85°C extended temperature range.

Applications

  • Desktop PCs
  • Notebook PCs

Subscribe to Welllinkchips !
Your Name
* Email
Submit a request