0
MAX3982
  • MAX3982

MAX3982

NOT RECOMMENDED FOR NEW DESIGNS

SFP Copper-Cable Preemphasis Driver

Analog Devices MAX3982 Product Info

10 February 2026 8

Features

  • Drives Up to 15m with 24AWG Cable
  • Drives Up to 30in of FR4
  • 0.25W Total Power with +3.3V Supply
  • Selectable 1600mVP-P or 1200mVP-P Differential Output Swing
  • Selectable Output Preemphasis
  • Fixed Input Equalization
  • Loss-of-Signal Detection with Selectable Sensitivity
  • Transmit Disable

Part details & applications

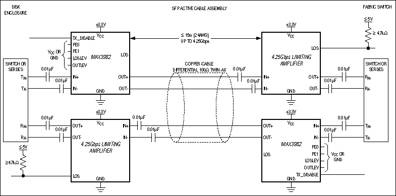
The MAX3982 is a single-channel, copper-cable preemphasis driver that operates from 1Gbps to 4.25Gbps. It provides compensation for copper links, such as 4.25Gbps Fibre Channel, allowing spans of up to 15m with 24AWG. The cable driver provides four selectable preemphasis levels. The input compensates for up to 10in of FR4 circuit board material at 4.25Gbps.

The MAX3982 also features SFP-compliant loss-of-signal detection with selectable sensitivity and TX_DISABLE. Selectable output swing reduces EMI and power consumption. It is packaged in a 3mm x 3mm, 16-pin thin QFN and operates from 0°C to +85°C temperature range.

Applications

  • 1.0625Gbps, 2.125Gbps, and 4.25Gbps Fibre Channel
  • 1.25Gbps Ethernet
  • 2.488Gbps STM16
  • Backplanes
  • InfiniBand™
  • PCI Express®
  • SFP Active Copper-Cable Assemblies

Subscribe to Welllinkchips !
Your Name
* Email
Submit a request