0
MAX3293
  • MAX3293

MAX3293

PRODUCTION

20Mbps, +3.3V, SOT23 RS-485/RS-422 Transmitters ±15kV ESD-Protected, 20Mbps +3.3V, SOT23 RS-485/RS-422 Transmitters

Analog Devices MAX3293 Product Info

10 February 2026 7

Features

  • Space-Saving 6-Pin SOT23 Package
  • 250kbps/2.5Mbps/20Mbps Data Rates Available
  • Operate from a Single +3.3V Supply
  • ESD Protection
    • ±9kV—Human Body Model
  • Slew-Rate Limited for Errorless Data Transmission (MAX3293/MAX3294)
  • 1µA Low-Current Shutdown Mode
  • -7V to +12V Common-Mode Input Voltage Range
  • Current Limiting and Thermal Shutdown for Driver-Overload Protection
  • Hot-Swap Inputs for Telecom Applications
  • Automotive Temperature Range (-40°C to +125°C)
  • AEC-Q100 Qualified MAX3295AUT/V+T

Part details & applications

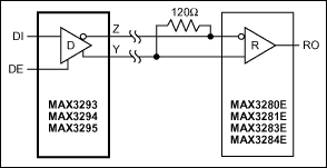
The MAX3293/MAX3294/MAX3295 low-power, high-speed transmitters for RS-485/RS-422 communication operate from a single +3.3V power supply. These devices contain one differential transmitter. The MAX3295 transmitter operates at data rates up to 20Mbps, with an output skew of less than 5ns, and a guaranteed driver propagation delay below 25ns. The MAX3293 (250kbps) and MAX3294 (2.5Mbps) are slew-rate limited to minimize EMI and reduce reflections caused by improperly terminated cables.

The MAX3293/MAX3294/MAX3295 output level is guaranteed at +1.5V with a standard 54Ω load, compliant with RS-485 specifications. The transmitter draws 5mA of supply current when unloaded, and 1µA in low-power shutdown mode (DE = GND).

Hot-swap circuitry eliminates false transitions on the data cable during circuit initialization or connection to a live backplane, and short-circuit current limiting and thermalshutdown circuitry protect the driver against excessive power dissipation.

The MAX3293/MAX3294/MAX3295 are offered in a 6-pin SOT23 package, and are specified over the automotive temperature range.

Applications

  • Automotive
  • Clock Distribution
  • Industrial Control
  • Point-of-Sale Equipment
  • RS-422/RS-485 Communications
  • Security Equipment
  • Telecom Equipment

Subscribe to Welllinkchips !
Your Name
* Email
Submit a request