0
MAX3095
  • MAX3095

MAX3095

PRODUCTION

±15kV ESD-Protected, 10Mbps, 3V/5V, Quad RS-422/RS-485 Receivers

Analog Devices MAX3095 Product Info

10 February 2026 7

Features

  • ESD Protection:
    • ±15kV-IEC 1000-4-2, Air-Gap Discharge
    • ±8kV-IEC 1000-4-2, Contact Discharge
    • ±15kV-Human Body Model
  • Guaranteed Propagation-Delay Tolerance Between All ICs:
    • ±8ns (MAX3095)
    • ±10ns (MAX3096)
  • Single +3V Operation (MAX3096)
  • Single +5V Operation (MAX3095)
  • 16-Pin QSOP (8-pin SO footprint)
  • 10Mbps Data Rate
  • Allow up to 128 Receivers on the Bus
  • 1nA Low-Power Shutdown Mode
  • 2.4mA Operating Supply Current
  • Pin-Compatible Upgrades to '26LS32

Part details & applications

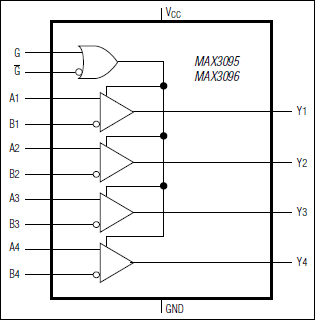
The MAX3095/MAX3096 are rugged, low-power, quad, RS-422/RS-485 receivers with electrostatic discharge (ESD) protection for use in harsh environments. All receiver inputs are protected to ±15kV using IEC 1000-4-2 Air-Gap Discharge, ±8kV using IEC 1000-4-2 Contact Discharge, and ±15kV using the Human Body Model. The MAX3095 operates from a +5V supply, while the MAX3096 operates from a +3.3V supply. Receiver propagation delays are guaranteed to within ±8ns of a predetermined value, thereby ensuring device-to-device matching across production lots.

Complementary enable inputs can be used to place the devices in a 1nA low-power shutdown mode in which the receiver outputs are high impedance. When active, these receivers have a fail-safe feature that guarantees a logic-high output if the input is open circuit. They also feature a quarter-unit-load input impedance that allows 128 receivers on a bus.

The MAX3095/MAX3096 are pin-compatible, low-power upgrades to the industry-standard '26LS32. They are available in a space-saving QSOP package.

Applications

  • Level Translators
  • Receivers for ESD-Sensitive Applications
  • Rugged RS-422/RS-485/RS-423 Bus Receiver
  • Telecommunications Equipment

Subscribe to Welllinkchips !
Your Name
* Email
Submit a request