0
MAX3093E
  • MAX3093E

MAX3093E

PRODUCTION

±15kV ESD-Protected, 10Mbps, 3V/5V, Low-Power Quad RS-422/RS-485 Receivers Low-Power, ESD-Protected, Pin-Compatible Upgrade to 34C86

Analog Devices MAX3093E Product Info

10 February 2026 9

Features

  • ESD Protection
    • ±15kV—IEC 1000-4-2 Air-Gap Discharge
    • ±8kV—IEC 1000-4-2 Contact Discharge
    • ±15kV—Human Body Model
  • Guaranteed Propagation-Delay Tolerance Between All ICs
    • ±8ns (MAX3093E)
    • ±10ns (MAX3094E)
  • Single +3V Operation (MAX3094E)
  • Single +5V Operation (MAX3093E)
  • 16-Pin TSSOP
  • 10Mbps Data Rate
  • Allow up to 128 Receivers on the Bus
  • 1nA Low-Power Shutdown Mode
  • 2.4mA Operating Supply Current
  • Pin-Compatible Upgrades to '34C86

Part details & applications

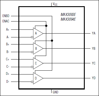
The MAX3093E/MAX3094E are rugged, low-power, quad, RS-422/RS-485 receivers featuring electrostatic discharge (ESD) protection for use in harsh environments. All receiver inputs are protected to ±15kV using IEC 1000-4-2 Air-Gap Discharge, ±8kV using IEC 1000-4-2 Contact Discharge, and ±15kV using the Human Body Model. The MAX3093E operates from a +5V supply, while the MAX3094E operates from a +3.3V supply. Receiver propagation delays are guaranteed to within ±8ns of a predetermined value, thereby ensuring device-to-device matching across production lots.

The devices feature a 1nA low-power shutdown mode in which the receiver outputs are high impedance. When active, these receivers have a fail-safe feature that guarantees a logic-high output if the input is open circuit. They also have a quarter-unit-load input impedance that allows 128 receivers on a bus.

The MAX3093E/MAX3094E are pin-compatible, low-power upgrades to the industry-standard '34C86. They are available in space-saving TSSOP, narrow SO, and PDIP packages.

Applications

  • Level Translators
  • Receivers for ESD-Sensitive Applications
  • Rugged RS-422/RS-485/RS-423 Bus Receiver
  • Telecommunications Equipment

Subscribe to Welllinkchips !
Your Name
* Email
Submit a request