0
MAX3087
  • MAX3087

MAX3087

PRODUCTION

Fail-Safe, High-Speed (10Mbps), Slew-Rate-Limited RS-485/RS-422 Transceivers

Analog Devices MAX3087 Product Info

10 February 2026 6

Features

  • For Fault-Tolerant Applications:
    MAX3430: ±80V Fault-Protected, Fail-Safe, 1/4- Unit Load, +3.3V RS-485 Transceiver
  • For Low-Voltage Applications:
    MAX3362: +3.3V, High-Speed, RS-485/RS-422 Transceiver in a SOT23 Package
  • For Multiple Transceiver Applications:
    MAX3030E-MAX3033E: ±15kV ESD-Protected, +3.3V, Quad, RS-422 Transmitters
    MAX3040-MAX3045: ±10kV ESD-Protected, Quad, +5V, RS-485/RS-422 Transmitters

Part details & applications

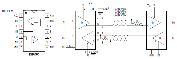
The MAX3080-MAX3089 high-speed transceivers for RS-485/RS-422 communication contain one driver and one receiver. These devices feature fail-safe circuitry, which guarantees a logic-high receiver output when the receiver inputs are open or shorted. This means that the receiver output will be a logic high if all transmitters on a terminated bus are disabled (high impedance). The MAX3080/MAX3081/MAX3082 feature reduced slew-rate drivers that minimize EMI and reduce reflections caused by improperly terminated cables, allowing error-free data transmission up to 115kbps. The MAX3083/MAX3084/MAX3085 offer higher driver output slew-rate limits, allowing transmit speeds up to 500kbps. The MAX3086/MAX3087/MAX3088's driver slew rates are not limited, making transmit speeds up to 10Mbps possible. The MAX3089's slew rate is selectable between 115kbps, 500kbps, and 10Mbps by driving a selector pin with a single three-state driver.

These transceivers typically draw 375µA of supply current when unloaded, or when fully loaded with the drivers disabled.

All devices have a 1/8-unit-load receiver input impedance that allows up to 256 transceivers on the bus. The MAX3082/MAX3085/MAX3088 are intended for halfduplex communications, while the MAX3080/MAX3081/ MAX3083/MAX3084/MAX3086/MAX3087 are intended for full-duplex communications. The MAX3089 is selectable between half-duplex and full-duplex operation. It also features independently programmable receiver and transmitter output phase via separate pins.

Applications

  • Industrial-Control Local Area Networks
  • Level Translators
  • RS-422/RS-485 Communications
  • Transceivers for EMI-Sensitive Applications

Subscribe to Welllinkchips !
Your Name
* Email
Submit a request