0
MAX2411A
  • MAX2411A

MAX2411A

LAST TIME BUY

Low-Cost RF Up/Downconverter with LNA and PA Driver

Analog Devices MAX2411A Product Info

10 February 2026 6

Features

  • Low-Cost Silicon Bipolar Design
  • Integrated Upconvert/Downconvert Function
  • Operates from a Single +2.7V to +5.5V Supply
  • 3.2dB Combined Receiver Noise Figure:
    • 2.4dB (LNA)
    • 9.2dB(mixer)
  • Flexible Power-Amplifier Driver:
    • 18dBm Output Third-Order Intercept (OIP3)
    • 35dB Gain-Control Range
  • LO Buffer for Low LO Drive Level
  • Low Power Consumption:
    • 60mW Receive
    • 90mW Full-Power Transmit
  • 0.3µW Shutdown Mode
  • Flexible Power-Down Modes Compatible with MAX2510/MAX2511 IF Transceivers

Part details & applications

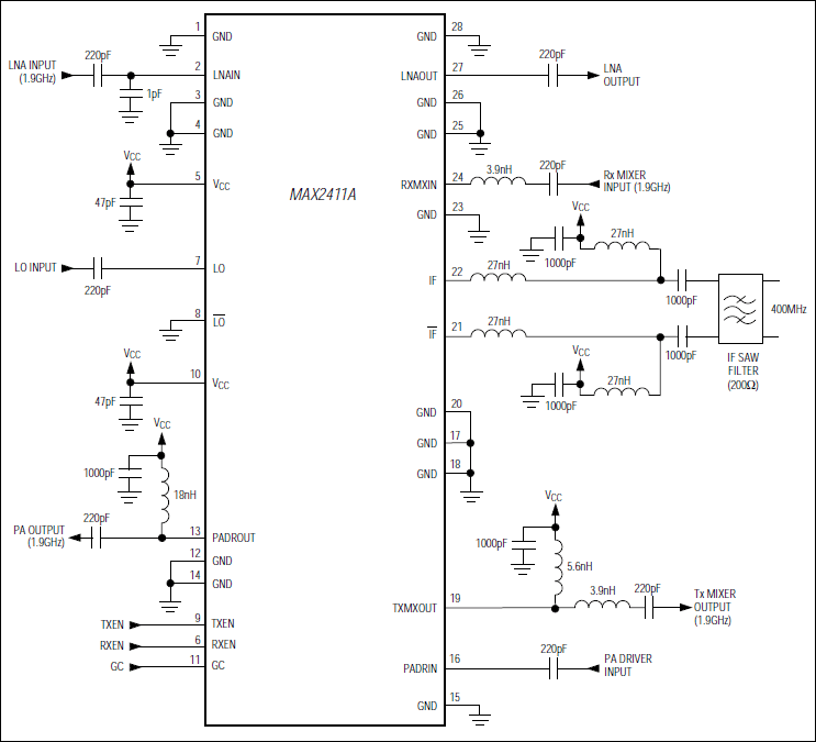
The MAX2411A performs the RF front-end transmit/receive function in time-division-duplex (TDD) communication systems. It operates over a wide frequency range and is optimized for RF frequencies around 1.9GHz. Applications include most popular cordless and PCS standards. The MAX2411A includes a low-noise amplifier (LNA), a downconverter mixer, a local-oscillator buffer, an upconverter mixer, and a variable-gain power-amplifier (PA) driver in a low-cost, plastic surface-mount package. The MAX2411A's unique bidirectional, differential IF port reduces cost and component count by allowing the transmit and receive paths to share the same IF filter.

The LNA has a 2.4dB typical noise figure and a -10dBm input third-order intercept point (IP3). The downconverter mixer has a low 9.2dB noise figure and 4dBm input IP3. Image and local-oscillator filtering are implemented off-chip for maximum flexibility. The PA driver amplifier has 15dB of gain, which can be reduced over a 35dB range. Power consumption is only 60mW in receive mode and 90mW in transmit mode and drops to less than 3µW in shutdown mode.

For applications requiring separate, single-ended IF input and output ports, refer to the MAX2410 data sheet. For applications requiring only a receive function, Maxim offers a low-cost downconverter with LNA (see the MAX2406 data sheet).

Applications

  • DCS1800 or PCS1900 Single-Mode Phones
  • DECT
  • Iridium Handsets
  • ISM-Band Transceiver
  • PHS/PACS
  • PWT1900

Subscribe to Welllinkchips !
Your Name
* Email
Submit a request