0
MAX2120
  • MAX2120

MAX2120

PRODUCTION

Complete, Direct-Conversion Tuner for DVB-S and Free-to-Air Applications 3.3V Satellite Tuner Provides Low Noise Figure and High Linearity at Only 330mW

Analog Devices MAX2120 Product Info

10 February 2026 6

Features

  • 925MHz to 2175MHz Frequency Range
  • Monolithic VCO: No Calibration Required
  • -75dBm to 0dBm High Dynamic Range
  • 4MHz to 40MHz Integrated Variable BW LP Filters
  • Single +3.3V ±5% Supply
  • Low-Power Standby Mode
  • Address Pin for Multituner Applications
  • Differential I/Q Interface
  • I²C 2-Wire Serial Interface
  • Very Small 28-Pin Thin QFN Package

Part details & applications

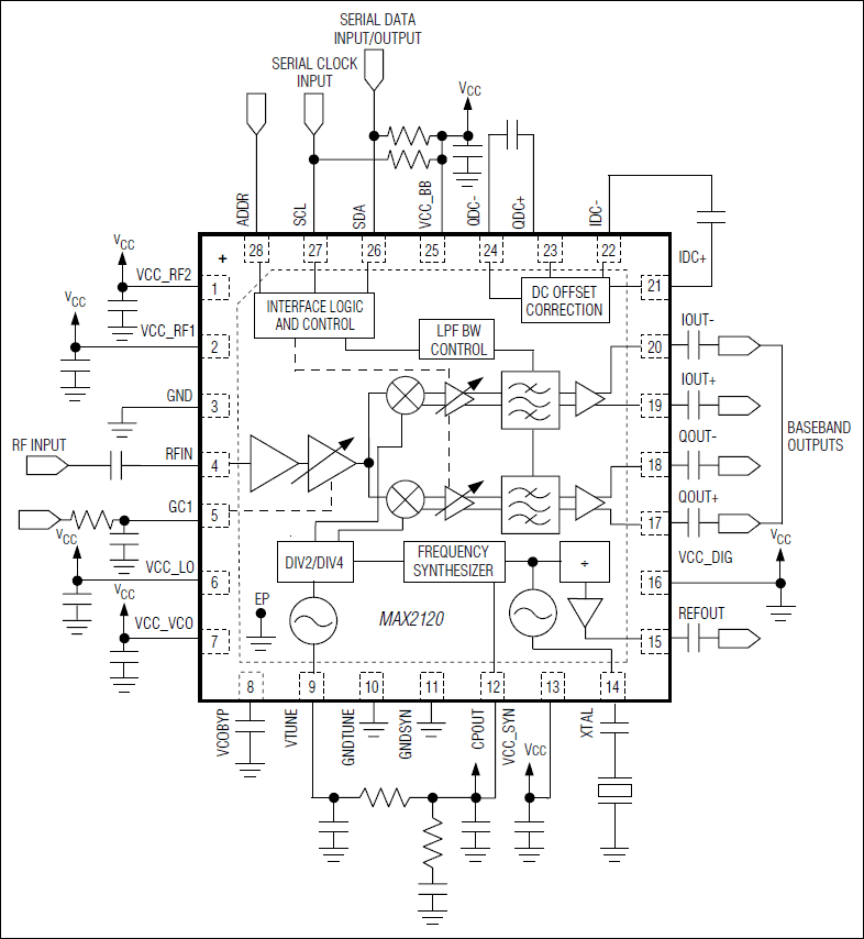
The MAX2120 low-cost, direct-conversion tuner IC is designed for satellite set-top and VSAT applications. The IC is intended for QPSK, Digital Video Broadcast (DVB-S), DSS, and free-to-air applications.

The MAX2120 directly converts the satellite signals from the LNB to baseband using a broadband I/Q downconverter. The operating frequency range extends from 925MHz to 2175MHz.

The device includes an LNA and an RF variable-gain amplifier, I and Q downconverting mixers, and baseband lowpass filters with programmable cutoff frequency control and digitally controlled baseband variable-gain amplifiers. Together, the RF and baseband variable-gain amplifiers provide more than 80dB of gain-control range. The IC is compatible with virtually all QPSK demodulators.

The MAX2120 includes fully monolithic VCOs, as well as a complete frequency synthesizer. Additionally, an on-chip crystal oscillator is provided along with a buffered output for driving additional tuners and demodulators. Synthesizer programming and device configuration are accomplished with a 2-wire serial interface. The IC features a VCO autoselect (VAS) function that automatically selects the proper VCO. For multituner applications, the device can be configured to have one of two 2-wire interface addresses. A low-power standby mode is available whereupon the signal path is shut down while leaving the reference oscillator, digital interface, and buffer circuits active, providing a method to reduce power in single and multituner applications.

The MAX2120 is the most advanced DBS tuner available today. The low noise figure eliminates the need for an external LNA. A small number of passive components are needed to form a complete DVB, DBS, or VSAT RF front-end solution. The tuner is available in a very small 28-pin thin QFN package.

Applications

  • DirecTV

Subscribe to Welllinkchips !
Your Name
* Email
Submit a request