0
MAX19707
  • MAX19707

MAX19707

PRODUCTION

10-Bit, 45Msps, Ultra-Low-Power Analog Front-End

Analog Devices MAX19707 Product Info

10 February 2026 8

Features

  • Dual, 10-Bit, 45Msps Rx ADC and Dual, 10-Bit, 45Msps Tx DAC
  • Ultra-Low Power
    • 84.6mW at fCLK = 45MHz, Fast Mode
    • 77.1mW at fCLK = 45MHz, Slow Mode
    • Low-Current Standby and Shutdown Modes
  • Programmable Tx DAC Common-Mode DC Level and I/Q Offset Trim
  • Excellent Dynamic Performance
    • SNR = 54.2dB at fIN = 5.5MHz (Rx ADC)
    • SFDR = 73.2dBc at fOUT = 2.2MHz (Tx DAC)
  • Three 12-Bit, 1µs Aux-DACs
  • 10-Bit, 333ksps Aux-ADC with 4:1 Input Mux and Data Averaging
  • Excellent Gain/Phase Match
    • ±0.03° Phase, ±0.01dB Gain (Rx ADC) at fIN = 5.5MHz
  • Multiplexed Parallel Digital I/O
  • Serial-Interface Control
  • Versatile Power-Control Circuits
    • Shutdown, Standby, Idle, Tx/Rx Disable
  • Miniature 48-Pin Thin QFN Package (7mm × 7mm × 0.8mm)

Part details & applications

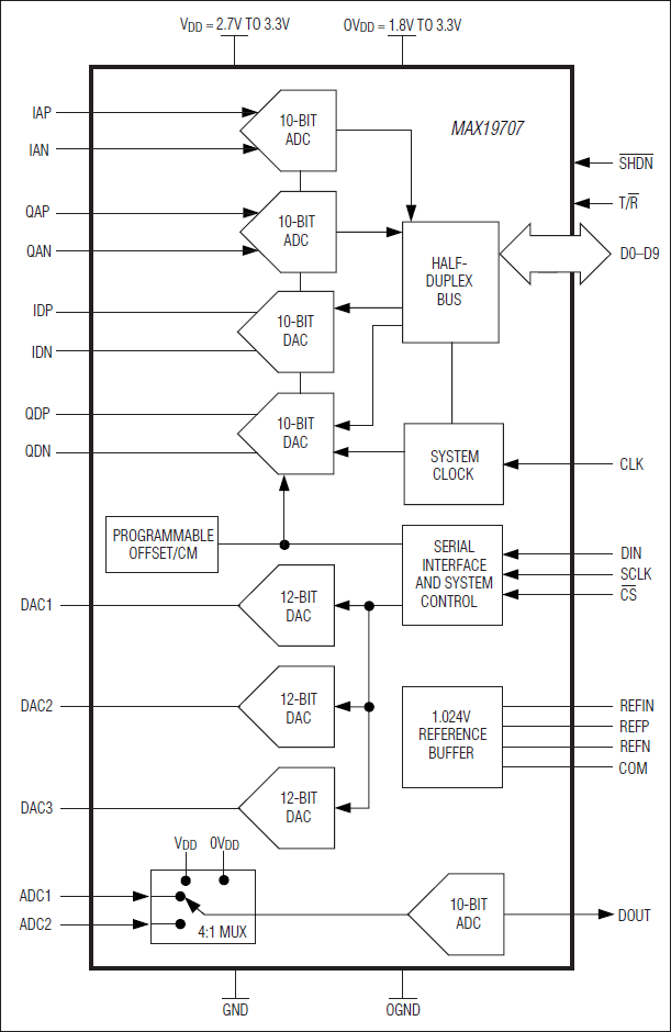
The MAX19707 is an ultra-low-power, mixed-signal analog front-end (AFE) designed for power-sensitive communication equipment. Optimized for high dynamic performance at ultra-low power, the device integrates a dual, 10-bit, 45Msps receive (Rx) ADC; dual, 10-bit, 45Msps transmit (Tx) DAC; three fast-settling 12-bit aux-DAC channels for ancillary RF front-end control; and a 10-bit, 333ksps housekeeping aux-ADC. The typical operating power in Tx-Rx FAST mode is 84.6mW at a 45MHz clock frequency.

The Rx ADCs feature 54.2dB SNR and 71.2dBc SFDR at fIN = 5.5MHz and fCLK = 45MHz. The analog I/Q input amplifiers are fully differential and accept 1.024VP-P full-scale signals. Typical I/Q channel matching is ±0.03° phase and ±0.01dB gain.

The Tx DACs feature 73.2dBc SFDR at fOUT = 2.2MHz and fCLK = 45MHz. The analog I/Q full-scale output voltage is ±400mV differential. The Tx DAC common-mode DC level is programmable from 0.71V to 1.05V. The I/Q channel offset is programmable to optimize radio lineup sideband/carrier suppresion. The typical I/Q channel matching is ±0.01dB gain and ±0.07° phase.

The Rx ADC and Tx DAC share a single, 10-bit parallel, high-speed digital bus allowing half-duplex operation for time-division duplex (TDD) applications. A 3-wire serial interface controls power-management modes, the aux-DAC channels, and the aux-ADC channels.

The MAX19707 operates on a single 2.7V to 3.3V analog supply and 1.8V to 3.3V digital I/O supply. The MAX19707 is specified for the extended (-40°C to +85°C) temperature range and is available in a 48-pin, thin QFN package. The Selector Guide at the end of the data sheet lists other pin-compatible versions in this AFE family.

Applications

  • 802.11a/b/g WLAN
  • Portable Communication Equipment<

Subscribe to Welllinkchips !
Your Name
* Email
Submit a request