0
MAX17231
  • MAX17231

MAX17231

PRODUCTION

2V–36V, Synchronous Dual Buck Controller with Integrated Boost and 20μA Quiescent Current Synchronous Dual Buck Controller with the Wide VIN (2V to 42V) and Low IQ (20µA)

Analog Devices MAX17231 Product Info

10 February 2026 6

Features

  • Eliminates External Components and Reduces Total Cost
    • No Schottky-Synchronous Operation for High Efficiency and Reduced Cost
    • Simple External RC compensation for Stable Operation at Any Output Voltage
    • All-Ceramic Capacitor Solution: Ultra-Compact Layout
    • 180° Out-of-Phase Operation Reduces Output Ripple and Enables Cascaded Power Supplies
  • Reduces Number of DC-DC Controllers to Stock
    • Fixed Output Voltage with ±1% Accuracy (5V/3.3V) or Externally Resistor Adjustable (1V to 10V)
    • 220kHz to 2.2MHz Adjustable Frequency with External Synchronization
    • Frequency Synchronization Input
  • Reduces Power Dissipation
    • 92% Peak Efficiency
    • 8µA (typ) in Shutdown
    • 20µA (typ) Quiescent Current in PFM Mode
  • Operates Reliably
    • 42V Input Voltage Transient Protection
    • Cycle-by-Cycle Current Limit, Thermal Shutdown
    • Supply Overvoltage and Undervoltage Lockout
    • Power-OK Monitor
    • Reduced EMI Emission with Spread-Spectrum Control
    • 50ns Minimum On-Time Guarantees PWM Operation at Low Duty Cycle at 2.2MHz

Part details & applications

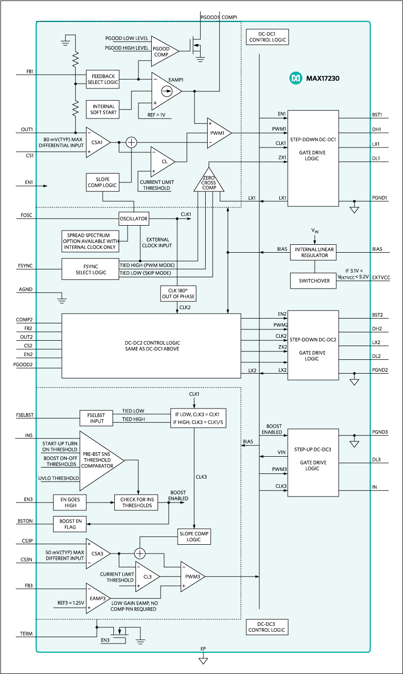
The MAX17230/MAX17231 offers dual synchronous stepdown DC-DC controllers with integrated MOSFETs and a step-up/boost controller. They operate over a 3.5V to 36V input voltage range, and down to 2V with the boost controller active. The devices can operate in dropout condition by running at 95% duty cycle. The controllers can generate fixed output voltages of 3.3V/5V, along with the capability to program the output voltage between 1V to 10V.

These devices use current-mode-control architecture and can be operated in the pulse-width modulation (PWM) or pulse-frequency modulation (PFM) control schemes. PWM operation provides constant frequency operation at all loads and is useful in applications sensitive to switching frequency. PFM operation disables negative inductor current and additionally skips pulses at light loads for high-efficiency. The low-resistance, on-chip MOSFETs ensure high efficiency at full load and simplify the layout.

The MAX17230/MAX17231 include a boost controller. This boost circuitry turns on during low input voltage conditions. It is designed to power step-down controller channels with input voltages as low as 2V.

These devices are available in a 40-pin TQFN package with exposed pad, and are specified for operation over -40°C to +85°C.

Applications

  • Distributed Supply Regulation
  • General-Purpose Point-of-Load
  • Wall Transformer Regulation

Subscribe to Welllinkchips !
Your Name
* Email
Submit a request