0
MAX16071
  • MAX16071

MAX16071

LAST TIME BUY

12-Channel/8-Channel, Flash-Configurable System Monitors with Nonvolatile Fault Registers Highly Integrated, 12-Channel/8-Channel, System-Management ICs with NV Fault Monitoring

Analog Devices MAX16071 Product Info

10 February 2026 5

Features

  • Operate from 2.8V to 14V
  • ±2.5% Current-Monitoring Accuracy
  • 1% Accurate 10-Bit ADC Monitors 12/8 Voltage Inputs
  • Single-Ended or Differential ADC for System Voltage/Current Monitoring
  • Integrated High-Side, Current-Sense Amplifier
  • 12/8 Monitored Inputs with Overvoltage/Undervoltage/Early Warning Limit
  • Nonvolatile Fault Event Logger
  • Two Programmable Fault Outputs and One Reset Output
  • Eight General-Purpose Inputs/Outputs Configurable as:
    • Dedicated Fault Outputs
    • Watchdog Timer Function
    • Manual Reset
    • Margin Enable
  • SMBus (with Timeout) or JTAG Interface
  • Flash Configurable Time Delays and Thresholds
  • -40°C to +85°C Operating Temperature Range

Part details & applications

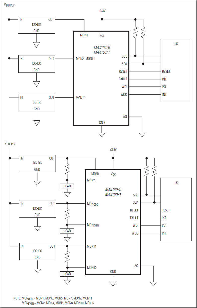
The MAX16070/MAX16071 flash-configurable system monitors supervise multiple system voltages. The MAX16070/MAX16071 can also accurately monitor (±2.5%) one current channel using a dedicated high-side current-sense amplifier. The MAX16070 monitors up to twelve system voltages simultaneously, and the MAX16071 monitors up to eight supply voltages. These devices integrate a selectable differential or single-ended analog-to-digital converter (ADC). Device configuration information, including overvoltage and undervoltage limits and timing settings are stored in nonvolatile flash memory. During a fault condition, fault flags and channel voltages can be automatically stored in the nonvolatile flash memory for later read-back.

The internal 1% accurate 10-bit ADC measures each input and compares the result to one overvoltage, one undervoltage, and one early warning limit that can be configured as either undervoltage or overvoltage. A fault signal asserts when a monitored voltage falls outside the set limits. Up to three independent fault output signals are configurable to assert under various fault conditions.

Because the MAX16070/MAX16071 support a power-supply voltage of up to 14V, they can be powered directly from the 12V intermediate bus in many systems.

The MAX16070/MAX16071 include eight/six programmable general-purpose inputs/outputs (GPIOs). GPIOs are flash configurable as dedicated fault outputs, as a watchdog input or output, or as a manual reset.

The MAX16070/MAX16071 feature nonvolatile fault memory for recording information during system shutdown events. The fault logger records a failure in the internal flash and sets a lock bit protecting the stored fault data from accidental erasure. An SMBus™ or a JTAG serial interface configures the MAX16070/MAX16071. The MAX16070/MAX16071 are available in a 40-pin, 6mm x 6mm, TQFN package. Both devices are

Subscribe to Welllinkchips !
Your Name
* Email
Submit a request