0
MAX15159
  • MAX15159
  • MAX15159
  • MAX15159
  • MAX15159
  • MAX15159

MAX15159

RECOMMENDED FOR NEW DESIGNS

High-Voltage Multiphase Boost/Flyback Controller with No-Opto Feedback High-Voltage Multiphase Boost/Flyback Controller with No-Opto Feedback

Analog Devices MAX15159 Product Info

10 February 2026 11

Features

  • Wide Operating Range
    • 8V to 120V Input Voltage Range for Boost and Flyback Configuration, -8V to -120V Input Voltage Range for Inverting Buck-Boost Configuration
    • Single-/Dual-/Triple-/Quad-Phase Operation
    • 120kHz to 1MHz Switching Frequency Range
    • -40ºC to +125ºC Temperature Range
  • Integration Reduces Design Footprint
    • Feedback Sample and Hold to Support No-Opto Feedback in Isolated Flyback Converter
    • Low-Side MOSFET Driver Integrated
    • Multiphase Synchronization and Interleaved Operation
    • Active Phase Current Balance Control
  • Robust Fault Protection Improves Reliability
    • Adjustable Input Undervoltage Lockout (UVLO)
    • Adjustable Cycle-by-Cycle Peak Current Limit and Fast Overcurrent Protection (OCP)
    • Thermal Shutdown

Part details & applications

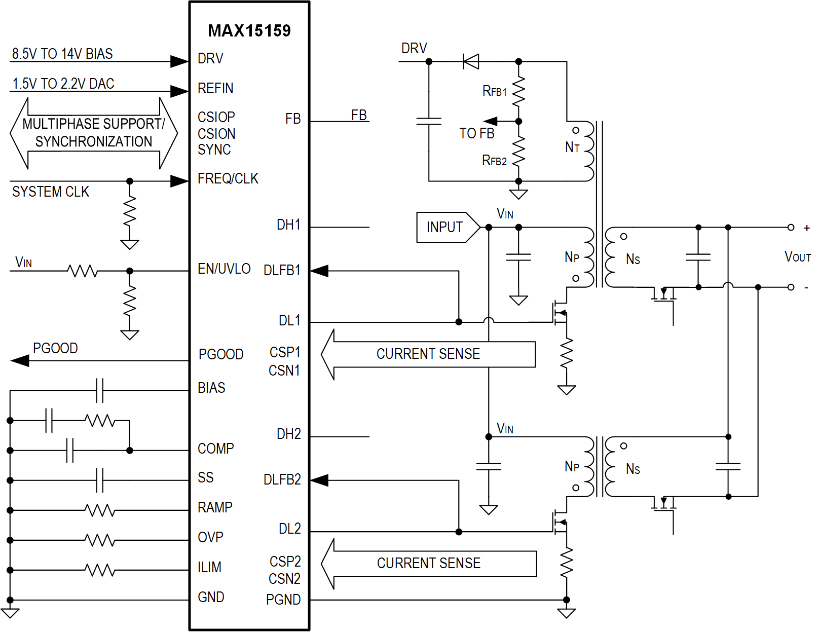
The MAX15159, a high-voltage, multiphase boost/flyback controller with enhanced low-side MOSFET gate driver capability, is designed to support single-phase or dual-phase boost/flyback configurations. Two devices can be stacked up for triple-phase or quad-phase operation. The output voltage can be dynamically set through the 1.5V to 2.2V reference input (REFIN) for modular design support.

The switching frequency is controlled either through an external resistor setting the internal oscillator or by synchronizing the regulator to an external clock. The device is designed to support 120kHz to 1MHz switching frequencies. When two devices are stacked up as controller-target for triple-phase or quad-phase operation, the SYNC pins of two devices are connected to ensure clock synchronization and phase interleaving. The controller has a dedicated enable/input undervoltage lockout (EN/UVLO) pin to configure for flexible power sequencing.

The MAX15159 has a dedicated RAMP pin to adjust internal slope compensation. The device features adjustable overcurrent protection through the dedicated ILIM pin. The device incorporates current-sense amplifiers to accurately measure the current of each phase across external sense resistors to implement accurate phase current sharing. The controller is also protected against output overvoltage, input undervoltage, and thermal shutdown.

APPLICATIONS

  • Communication
  • Industrial
  • Multiphase Flyback
  • IEEE802.3bt Powered Device

Subscribe to Welllinkchips !
Your Name
* Email
Submit a request