0
MAX1471
  • MAX1471

MAX1471

RECOMMENDED FOR NEW DESIGNS

315MHz/434MHz Low-Power, 3V/5V ASK/FSK Superheterodyne Receiver 300MHz to 450MHz Superheterodyne ASK/FSK Receiver with Integrated Image Rejection Operates from 3V or 5V Supply

Analog Devices MAX1471 Product Info

10 February 2026 7

Features

  • ASK and FSK Demodulated Data on Separate Outputs
  • Specified over Automotive -40°C to +125°C Temperature Range
  • Low Operating Supply Voltage Down to 2.4V
  • On-Chip 3V Regulator for 5V Operation
  • Low Operating Supply Current
    • 7mA Continuous Receive Mode
    • 1.1µA Deep-Sleep Mode
  • Discontinuous Receive (DRX) Low-Power Management
  • Fast-On Startup Feature < 250µs
  • Integrated PLL, VCO, and Loop Filter
  • 45dB Integrated Image Rejection
  • RF Input Sensitivity*
    • ASK: -114dBm
    • FSK: -108dBm
  • Selectable IF BW with External Filter
  • Programmable Through Serial User Interface
  • RSSI Output and High Dynamic Range with AGC
  • AEC-Q100 Qualified (MAX1471ATJ/V+ Only)
*0.2% BER, 4kbps, Manchester-encoded data, 280kHz IF BW

Part details & applications

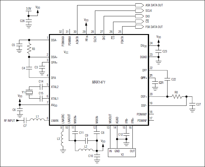
The MAX1471 low-power, CMOS, superheterodyne, RF dual-channel receiver is designed to receive both amplitude-shift-keyed (ASK) and frequency-shift-keyed (FSK) data without reconfiguring the device or introducing any time delay normally associated with changing modulation schemes. The MAX1471 requires few external components to realize a complete wireless RF digital data receiver for the 300MHz to 450MHz ISM bands.

The MAX1471 includes all the active components required in a superheterodyne receiver including: a low-noise amplifier (LNA), an image-reject (IR) mixer, a fully integrated phase-locked loop (PLL), local oscillator (LO), 10.7MHz IF limiting amplifier with received-signal-strength indicator (RSSI), low-noise FM demodulator, and a 3V voltage regulator. Differential peak-detecting data demodulators are included for both the FSK and ASK analog baseband data recovery. The MAX1471 includes a discontinuous receive (DRX) mode for low-power operation, which is configured through a serial interface bus.

The MAX1471 is available in a 32-pin thin QFN package and is specified over the automotive -40°C to +125°C temperature range.

Applications

  • Automotive Remote Keyless Entry (RKE)
  • Garage Door Openers
  • Home Automation
  • Local Telemetry Systems
  • Medical Systems
  • Security Systems
  • Tire-Pressure Monitoring Systems
  • Wireless Keys
  • Wireless Sensors

Subscribe to Welllinkchips !
Your Name
* Email
Submit a request