0
MAX14589E
  • MAX14589E

MAX14589E

PRODUCTION

High-Density, ±5V Capable DPDT Analog Switches Reduces Click and Pop and Provides Low RON in Only 1.2mm x 1.2mm

Analog Devices MAX14589E Product Info

10 February 2026 4

Features

  • Distortion-Free Beyond-the-Rails Signaling
    • Negative Audio and Video Signal Capable
    • -5.5V to +5.5V Analog Signal Range Independent from VCCEN
    • On-Resistance 0.2Ω (typ)
    • +1.6V to +5.5V Single-Supply Range
    • Click-and-Pop Suppression
  • Smooth Switch Transition
    • Break-Before-Make Operation
  • Low Supply Current 30µA (typ) at 1.6V
    • Can Be Powered by a GPIO
    • High-Impedance Mode When VCCEN Not Applied
  • ESD Protection on COM_
    • ±15kV Human Body Model
    • ±10kV IEC 61000-4-2 Air Gap
    • ±8kV IEC 61000-4-2 Contact
  • ESD Protection on NC_ and NO_
    • ±15kV Human Body Model
  • Small Board Space
    • 9-Bump WLP (1.2mm x 1.2mm)
  • -40°C to +85°C Operating Temperature Range

Part details & applications

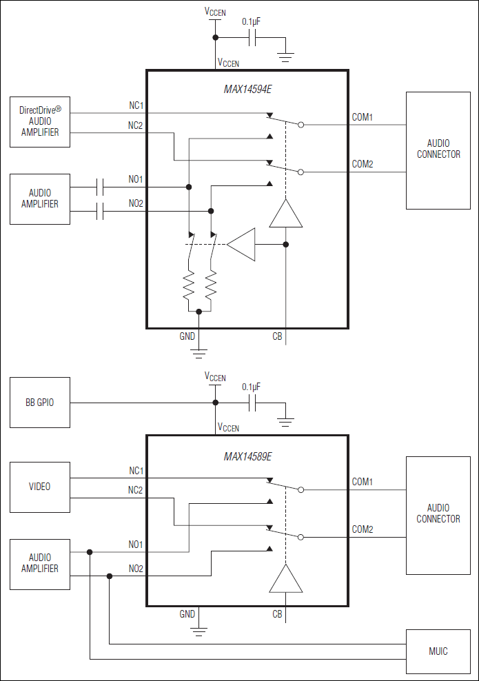
The MAX14589E/MAX14594E high-density, double-pole/double-throw (DPDT) analog switches feature Beyond-the-Rails signal capability that allows signals from -5.5V to +5.5V to pass without distortion even when the power supply is below the signal range. The low RON resistance (0.2Ω) makes the devices ideal for low-distortion switching, such as audio.

The MAX14594E has internal shunt switches that discharge the audio amplifier AC-coupling capacitance at the normally open (NO1 and NO2) terminals. This feature reduces click-and-pop sounds that occur when switching audio signals between precharged points.

The switches are fully specified to operate from a single +1.6V to +5.5V power supply. Because of the low supply current requirement, VCCEN can be provided by a GPIO. When the power is not applied, switches go to a high-impedance mode and all analog signal ports can withstand signals within the analog signal range. The devices control the switches with a control bit, CB.

The MAX14589E/MAX14594E are available in a 1.2mm × 1.2mm, 0.4mm pitch, 9-bump wafer-level package (WLP) and operate over the -40°C to +85°C extended temperature range.

Applications

  • Portable Audio/Video Equipment
  • Portable Navigation Devices
  • Smartphones
  • Tablets

Subscribe to Welllinkchips !
Your Name
* Email
Submit a request