0
MAX1414
  • MAX1414

MAX1414

PRODUCTION

Low-Power, 16-Bit Multichannel DAS with Internal Reference, 10-Bit DACs, and RTC

Analog Devices MAX1414 Product Info

10 February 2026 8

Features

  • +2.7V to +3.6V Supply Voltage Range in Standby, Idle, and Run Mode (Down to 1.8V in Sleep Mode)
  • 1.15mA Run Mode Supply Current
  • 2.5µA Sleep Mode Supply Current (Wake-Up, RTC, and Voltage Monitor Active)
  • Multichannel 16-Bit Sigma-Delta ADC
    • ±1.5 LSB (typ) Integral Nonlinearity
    • 30Hz or 60Hz Continuous Conversion Rate
    • Buffered or Unbuffered Mode
    • Gain of +1/3, +1, or +2V/V
    • Unipolar or Bipolar Mode
    • On-Chip Offset Calibration
  • 10-Bit Force/Sense DACs
  • Buffered 1.25V, 18ppm/°C (typ) Bandgap Reference Output
  • SPI™/QSPI™ or MICROWIRE™-Compatible Serial Interface
  • System Support Functions
    • RTC (Valid til 9999) and Alarm
    • High-Frequency PLL Clock Output (2.4576MHz)
    • +1.8V and +2.7V Active-Low RESET and Power-Supply Voltage Monitors
    • Signal Detect Comparator
    • Interrupt Generator (Active-Low INT and Active-Low DRDY)
    • Three-State Digital Output
    • Wake-Up Circuitry
  • 28-Pin SSOP (MAX1407/MAX1408/MAX1414), 20-Pin SSOP (MAX1409)

Part details & applications

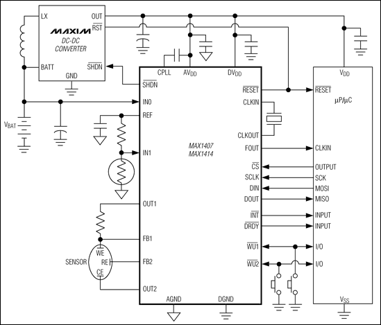
The MAX1407/MAX1408/MAX1409/MAX1414 are low-power, general-purpose, multichannel data-acquisition systems (DAS). These devices are optimized for low-power applications. All the devices operate from a single +2.7V to +3.6V power supply and consume a maximum of 1.15mA in Run mode and only 2.5µA in Sleep mode.

The MAX1407/MAX1408/MAX1414 feature a differential 8:1 input multiplexer to the ADC, a programmable three-state digital output, an output to shutdown an external power supply, and a data ready output from the ADC. The MAX1408 has eight auxiliary analog inputs, while the MAX1407/MAX1414 include four auxiliary analog inputs and two 10-bit force/sense DACs. The MAX1414 features a 50mV trip threshold for the signal-detect comparator while the others have a 0mV trip threshold. The MAX1409 is a 20-pin version of the DAS family with a differential 4:1 input multiplexer to the ADC, one auxiliary analog input, and one 10-bit force/sense DAC.

The MAX1407/MAX1408/MAX1414 are available in space-saving 28-pin SSOP packages, while the MAX1409 is available in a 20-pin SSOP package.

Applications

  • Automated Test Equipment (ATE)
  • Data Acquisition
  • Industrial Control Systems
  • Medical Instruments
  • Portable Equipment
  • Robotics

Subscribe to Welllinkchips !
Your Name
* Email
Submit a request