0
MAX1406
  • MAX1406

MAX1406

PRODUCTION

±15kV ESD-Protected, EMC Compliant, 230kbps, 3 Tx/3 Rx RS-232 IC

Analog Devices MAX1406 Product Info

10 February 2026 9

Features

  • Enhanced ESD Protection:
    • ±15kV Human Body Model
    • ±8kV IEC 1000-4-2, Contact Discharge
    • ±15kV IEC 1000-4-2, Air-Gap Discharge
  • Latchup Free During an ESD Event
  • 16-Pin SSOP or SO Packages
  • Guaranteed 230kbps Data Rate
  • Flow-Through Pinout
  • Pin Compatible with MC145406

Part details & applications

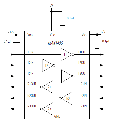
The MAX1406 is an RS-232 IC designed to meet the stringent electrostatic discharge (ESD) requirements of the European community. All transmitter outputs and receiver inputs are protected to ±15kV using IEC 1000-4-2 Air-Gap Discharge, ±8kV using IEC 1000-4-2 Contact Discharge, and ±15kV using the Human Body Model.

The MAX1406 has three RS-232 transmitters and three RS-232 receivers, and is optimized for operation in printer, modem, and telecom applications. It is guaranteed to run at data rates up to 230kbps, providing compatibility with popular software for communicating with personal computers. Power-supply current is less than 500µA for IDD and ISS, and less than 1mA for ICC.

The MAX1406 is pin and functionally compatible with the industry-standard MC145406, so existing designs can instantly become Electromagnetic Compatibility (EMC) compliant. The MAX1406 is available in DIP and SO packages, and in a tiny SSOP that reduces board space.

Applications

  • Equipment Meeting IEC 1000-4-2
  • Instruments
  • Modems
  • Printers
  • Telecommunications

Subscribe to Welllinkchips !
Your Name
* Email
Submit a request