0
MAX1299
  • MAX1299

MAX1299

LAST TIME BUY

12-Bit Serial-Output Temperature Sensors with 5-Channel ADC 12-Bit ADCs with ±1° C Internal Temperature Sensor Also Measure Remote Temperatures

Analog Devices MAX1299 Product Info

10 February 2026 5

Features

  • Local and Remote Temperature Sensing
  • 12-Bit Resolution for Temperature and Voltage Inputs
  • ±1°C Accuracy from -40°C to +85°C
  • Fully Differential Inputs
  • Single-Supply Operation
    • +4.75V to +5.25V (MAX1298)
    • +2.7V to +3.6V (MAX1299)
  • 3-Wire SPI/QSPI/MICROWIRE-Compatible Interface
  • Internal Precision Voltage Reference
    • 2.50V (MAX1298)
    • 1.20V (MAX1299)
  • Space-Saving 16-Pin SSOP Package

Part details & applications

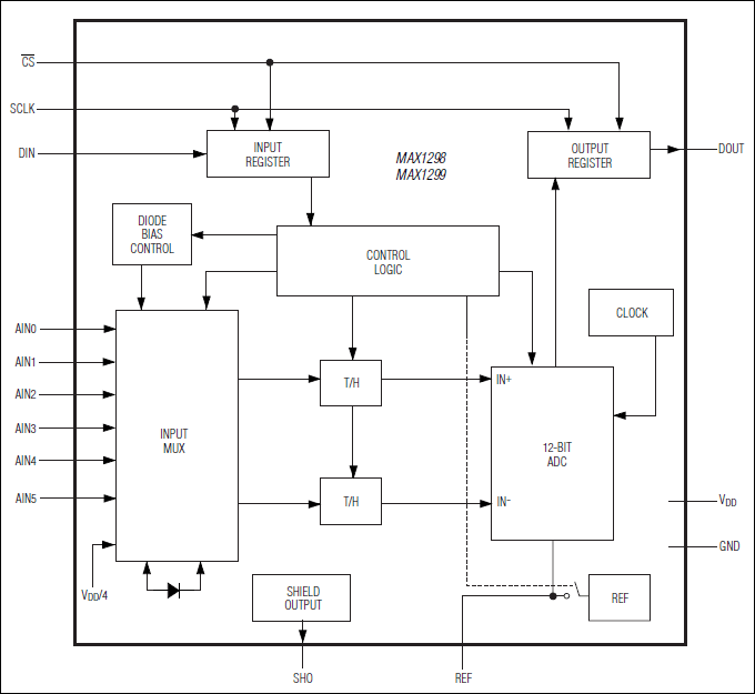
The MAX1298/MAX1299 implement local and remote temperature sensing with 12-bit resolution, using +5V and +3V supply voltages, respectively. Accuracy is ±1°C from 0 to +70°C, with no calibration needed. The devices feature an algorithmic switched-capacitor analog-to-digital converter (ADC), an on-chip clock, and a 3-wire serial interface compatible with SPI, QSPI™, and MICROWIRE®.
The MAX1298/MAX1299 also perform fully differential voltage measurements with 12-bit resolution and separate track-and-hold (T/H) for positive and negative inputs. Both devices accept versatile input modes consisting of two 3-channel signal pairs, five 1-channel signals relative to an AIN5, or VDD/4 relative to ground. An external reference may be used for more accurate voltage measurements.
Typical power consumption is only 1.3mW (MAX1299). A shutdown mode and two standby modes provide multiple strategies for prolonging battery life in portable applications that require limited sampling throughput.
The MAX1298/MAX1299 are available in 16-pin SSOP packages.

Applications

  • Handheld Instruments (PDAs, Palmtops)
  • Industrial Process Controls
  • Medical Equipment

Subscribe to Welllinkchips !
Your Name
* Email
Submit a request