0
MAX1184
  • MAX1184

MAX1184

PRODUCTION

Dual 10-Bit, 20Msps, +3V, Low-Power ADC with Internal Reference and Parallel Outputs

Analog Devices MAX1184 Product Info

10 February 2026 9

Features

  • Single +3V Operation
  • Excellent Dynamic Performance:
    • 59.5dB SNR at fIN = 7.5MHz
    • 74dB SFDR at fIN = 7.5MHz
  • Low Power:
    • 35mA (Normal Operation)
    • 2.8mA (Sleep Mode)
    • 1µA (Shutdown Mode)
  • 0.02dB Gain and 0.25° Phase Matching (typ)
  • Wide ±1VP-P Differential Analog Input Voltage Range
  • 400MHz -3dB Input Bandwidth
  • On-Chip +2.048V Precision Bandgap Reference
  • User-Selectable Output Format—Two's Complement or Offset Binary
  • 48-Pin TQFP Package with Exposed Pad for Improved Thermal Dissipation
  • Evaluation Kit Available

Part details & applications

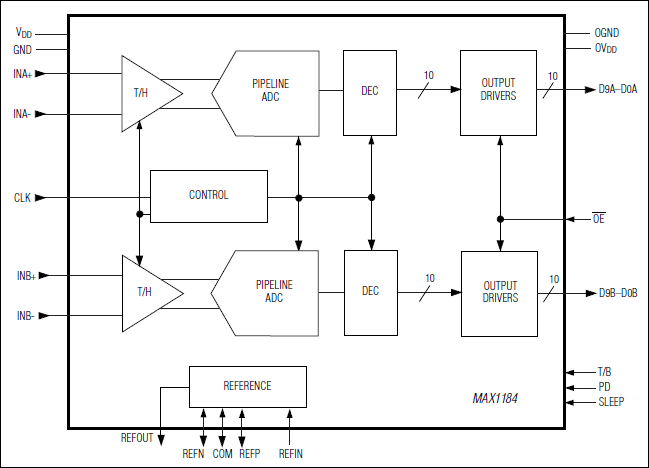
The MAX1184 is a +3V, dual 10-bit analog-to-digital converter (ADC) featuring fully-differential wideband track-and-hold (T/H) inputs, driving two pipelined, 9-stage ADCs. The MAX1184 is optimized for low-power, high-dynamic performance applications in imaging, instrumentation, and digital communication applications. This ADC operates from a single +2.7V to +3.6V supply, consuming only 105mW while delivering a typical signal-to-noise ratio (SNR) of 59.5dB at an input frequency of 7.5MHz and a sampling rate of 20Msps. The T/H driven input stages incorporate 400MHz (-3dB) input amplifiers. The converters may also be operated with single-ended inputs. In addition to low operating power, the MAX1184 features a 2.8mA sleep mode as well as a 1µA power-down mode to conserve power during idle periods.

An internal +2.048V precision bandgap reference sets the full-scale range of the ADC. A flexible reference structure allows the use of the internal or an externally derived reference, if desired for applications requiring increased accuracy or a different input voltage range.

The MAX1184 features parallel, CMOS-compatible three-state outputs. The digital output format is set to two's complement or straight offset binary through a single control pin. The device provides for a separate output power supply of +1.7V to +3.6V for flexible interfacing. The MAX1184 is available in a 7mm x 7mm, 48-pin TQFP package, and is specified for the extended industrial (-40°C to +85°C) temperature range.

Pin-compatible higher speed versions of the MAX1184 are also available. Please refer to the MAX1180 data sheet for 105Msps, the MAX1181 data sheet for 80Msps, the MAX1182 data sheet for 65Msps, and the MAX1183 data sheet for 40Msps. In addition to these speed grades, this family includes a 20Msps multiplexed output version (MAX1185), for which digital data is presented time-interleaved on a sin

Subscribe to Welllinkchips !
Your Name
* Email
Submit a request