0
LTC3589
  • LTC3589
  • LTC3589
  • LTC3589
  • LTC3589

LTC3589

RECOMMENDED FOR NEW DESIGNS

8-Output Regulator with Sequencing and I2C

Analog Devices LTC3589 Product Info

10 February 2026 6

Features

  • Triple I2C Adjustable High Efficiency Step-Down DC/DC Converters: 1.6A, 1A/1.2A, 1A/1.2A
  • High Efficiency 1.2A Buck-Boost DC/DC Converter
  • Triple 250mA LDO Regulators
  • Pushbutton ON/OFF Control with System Reset
  • Flexible Pin-Strap Sequencing Operation
  • I2C and Independent Enable Control Pins
  • Power Good and Reset Outputs

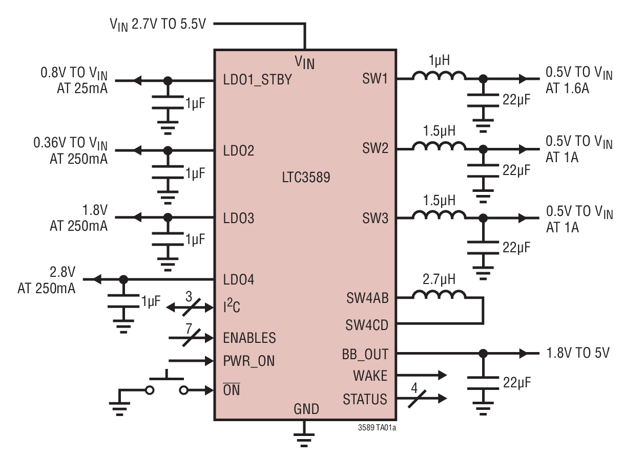
The LTC3589 is a complete power management solution for ARM and ARM-based processors and advanced portable microprocessor systems. The device contains three step-down DC/DC converters for core, memory and SoC rails, a buck-boost regulator for I/O at 1.8V to 5V and three 250mA LDO regulators for low noise analog supplies. An I2C serial port is used to control enables, output voltage levels, dynamic voltage scaling, operating modes and status reporting. Differences between the LTC3589, LTC3589-1, and LTC3589-2 are summarized in Table 1.

Regulator start-up is sequenced by connecting outputs to enable pins in the desired order or programmed via the I2C port. System power-on, power-off, and reset functions are controlled by pushbutton interface, pin inputs, or I2<

Part details & applications

The LTC3589 is a complete power management solution for ARM and ARM-based processors and advanced portable microprocessor systems. The device contains three step-down DC/DC converters for core, memory and SoC rails, a buck-boost regulator for I/O at 1.8V to 5V and three 250mA LDO regulators for low noise analog supplies. An I2C serial port is used to control enables, output voltage levels, dynamic voltage scaling, operating modes and status reporting. Differences between the LTC3589, LTC3589-1, and LTC3589-2 are summarized in Table 1.

Regulator start-up is sequenced by connecting outputs to enable pins in the desired order or programmed via the I2C port. System power-on, power-off, and reset functions are controlled by pushbutton interface, pin inputs, or I2C interface.

The LTC3589 supports i.MX53/51, PXA and OMAP processors with eight independent rails at appropriate power levels. Other features include interface signals such as the VSTB pin that simultaneously toggle up to four rails between programmed run and standby output voltages. The device is available in a low profile 40-pin 6mm × 6mm exposed pad QFN package.


LTC3589 LTC3589-1 LTC3589-2
Power-On Inhibit Enable Delay 1 second 2ms