0
LTC3371
  • LTC3371
  • LTC3371
  • LTC3371
  • LTC3371

LTC3371

RECOMMENDED FOR NEW DESIGNS

4-Channel 8A Configurable Buck DC/DCs with Watchdog and Power-On Reset

Analog Devices LTC3371 Product Info

10 February 2026 5

Features

  • 8 × 1A Buck Power Stages Configurable as 2, 3 or 4 Output Channels
  • 8 Unique Output Configurations (1A to 4A Per Channel)
  • Independent VIN Supplies for Each DC/DC (2.25V to 5.5V)
  • Low Total No Load Supply Current:
    • 15μA In Shutdown (All Channels Off)
    • 68μA One Channel Active in Burst Mode® Operation
    • 18μA Per Additional Channel
  • Precision Enable Pin Thresholds for Autonomous Sequencing
  • 1MHz to 3MHz RT Programmable Frequency (2MHz Default) or PLL Synchronization
  • Temp Monitor Indicates Die Temperature
  • CT Programmed Watchdog Timer
  • Independent RST Pins Indicate Buck in Regulation
  • Thermally Enhanced 38-Lead 5mm × 7mm QFN and TSSOP Packages

Part details & applications

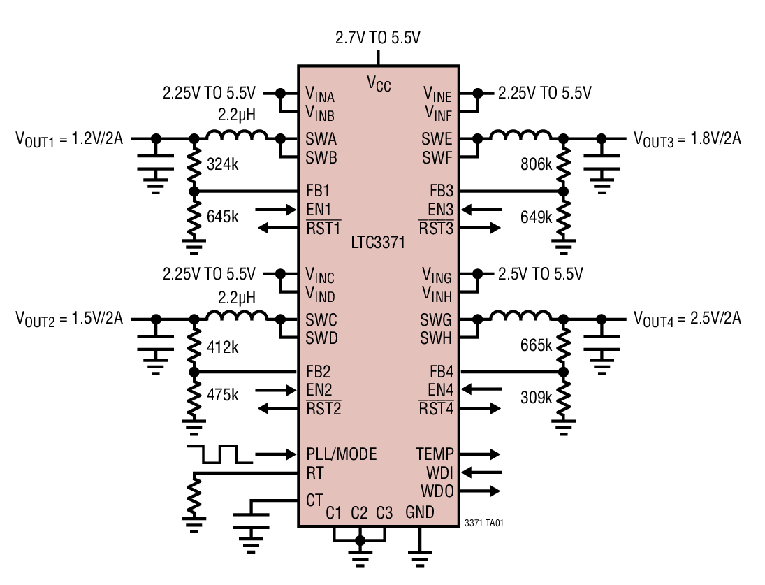
The LTC3371 is a highly flexible multi-output power supply IC. The device includes four synchronous buck converters, configured to share eight 1A power stages, each of which is powered from independent 2.25V to 5.5V inputs.

The DC/DCs are assigned to one of eight possible power configurations via pin programmable C1-C3 pins. The common buck switching frequency may be programmed with an external resistor, synchronized to an external oscillator, or set to a default internal 2MHz clock. The operating mode for all DC/DCs may be programmed for Burst Mode or forced continuous mode operation.

The CT pin programs the timing parameters of four independent RST pins as well as the watchdog timer.

To reduce input noise, the buck converters are phased in 90° steps. Precision enable pin thresholds facilitate reliable power sequencing. The LTC3371 is available in low profile 38-lead 5mm × 7mm QFN and TSSOP packages.

Applications

  • General Purpose Multichannel Power Supplies: Automotive, Industrial, Distributed Power Systems

Subscribe to Welllinkchips !
Your Name
* Email
Submit a request