0
LTC3114-1
  • LTC3114-1
  • LTC3114-1
  • LTC3114-1
  • LTC3114-1

LTC3114-1

RECOMMENDED FOR NEW DESIGNS

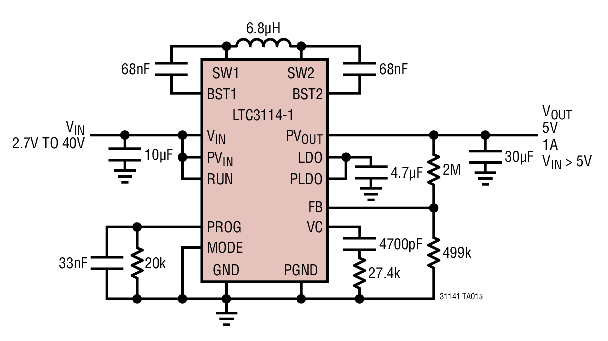
40V, 1A Synchronous Buck-Boost DC/DC Converter with Programmable Output Current

Analog Devices LTC3114-1 Product Info

10 February 2026 5

Features

  • Regulates VOUT Above, Below or Equal to VIN
  • Single Inductor
  • Wide VIN Range: 2.2V to 40V
  • Wide VOUT Range: 2.7V to 40V
  • 1A Output Current in Buck Mode
  • 0.5A Output Current, VIN = 3.6V, VOUT = 5V
  • Programmable Average Output Current
  • Up to 96% Efficiency
  • Burst Mode® Operation, 30µA No-Load IQ
  • Current Mode Control
  • 1.2MHz Ultralow Noise PWM
  • Accurate RUN Pin Threshold
  • Thermally Enhanced, 16-lead 3mm × 5mm DFN and TSSOP Packages
  • AEC-Q100 Qualified for Automotive Applications

Part details & applications

The LTC3114-1 is a versatile, wide operating voltage range synchronous monolithic buck-boost DC/DC converter with programmable average output current. The LTC3114-1’s proprietary buck-boost PWM control circuitry delivers low noise operation across the entire operating voltage range. Current mode control ensures exceptional line and load transient responses.

Synchronous, internal MOSFET switches and pin selectable Burst Mode operation maintain high efficiency across the entire range of load current. Average output current is programmed with a standard resistor and provides the basis for wide input range, high efficiency charging systems or constant current, high efficiency LED drive. Regulator turn-on is programmable through the accurate RUN pin. Quiescent current is just 3µA in shutdown. Overtemperature protection, short-circuit protection and soft-start are integrated. The LTC3114-1 is offered in 16-lead 3mm × 5mm × 0.75mm DFN and 16 lead TSSOP (FE) packages.

Applications

  • 24V/28V Industrial Power Supply
  • 12V Lead-Acid to 12V Regulator
  • High Power LED Driver
  • 12V/24V Solar Panel Battery Charging Systems
  • Automotive Power Systems

Subscribe to Welllinkchips !
Your Name
* Email
Submit a request