0
LTC2870
  • LTC2870
  • LTC2870
  • LTC2870
  • LTC2870
  • LTC2870
  • LTC2870
  • LTC2870

LTC2870

PRODUCTION

RS232/RS485 Multiprotocol Transceivers with Integrated Termination

Analog Devices LTC2870 Product Info

10 February 2026 8

Features

  • One RS485 and Two RS232 Transceivers
  • 3V to 5.5V Supply Voltage
  • 20Mbps RS485 and 500kbps RS232
  • Automatic Selection of Integrated RS485 (120Ω) and RS232 (5kΩ) Termination Resistors
  • Half-/Full-Duplex RS485 Switching
  • High ESD: ±26kV (LTC2870), ±16kV (LTC2871)
  • Logic Loopback Mode
  • 1.7V to 5.5V Logic Interface
  • Supports Up to 256 RS485 Nodes
  • RS485 Receiver Failsafe Eliminates UART Lockup
  • H-Grade Available (–40°C to 125°C)
  • Available in 28-Pin 4mm × 5mm QFN and TSSOP (LTC2870), and 38-Pin 5mm × 7mm QFN and TSSOP (LTC2871)

Part details & applications

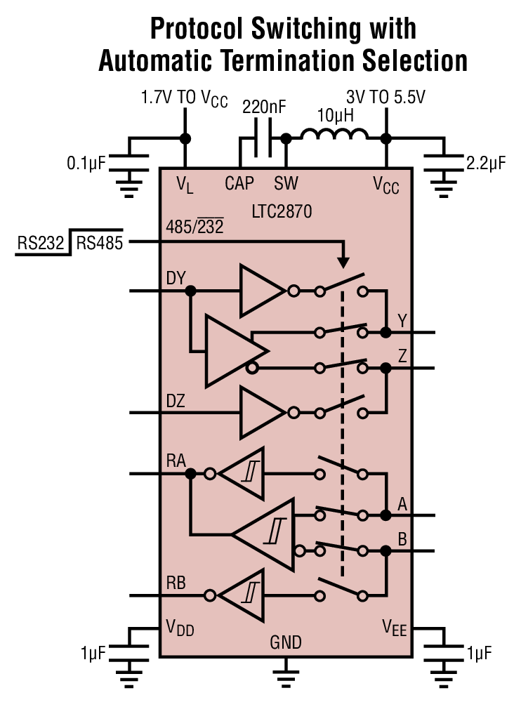
The LTC2870/LTC2871 are robust pin-configurable multiprotocol transceivers, supporting RS232, RS485, and RS422 protocols, operating on a single 3V to 5.5V supply. The LTC2870 can be configured as two RS232 single-ended transceivers or one RS485 differential transceiver on shared I/O lines. The LTC2871 offers independent control of two RS232 transceivers and one RS485 transceiver, each on dedicated I/O lines.

Pin-controlled integrated termination resistors allow for easy interface reconfiguration, eliminating external resistors and control relays. Half-duplex switches allow four-wire and two-wire RS485 configurations. Loopback mode steers the driver inputs to the receiver outputs for diagnostic self-test.The RS485 receivers support up to 256 nodes per bus, and feature full failsafe operation for floating, shorted or terminated inputs.

An integrated DC/DC boost converter uses a tiny 2mm × 1.6mm inductor and one capacitor, eliminating the need for multiple supplies for driving RS232 levels.

Applications

  • Software Selectable RS232/RS485/RS422 Interface
  • Point-of-Sale Terminals
  • Cable Repeaters
  • Protocol Translators

Subscribe to Welllinkchips !
Your Name
* Email
Submit a request