0
LTC2861
  • LTC2861
  • LTC2861
  • LTC2861
  • LTC2861
  • LTC2861

LTC2861

PRODUCTION

20Mbps RS485 Transceivers with Integrated Switchable Termination

Analog Devices LTC2861 Product Info

10 February 2026 6

Features

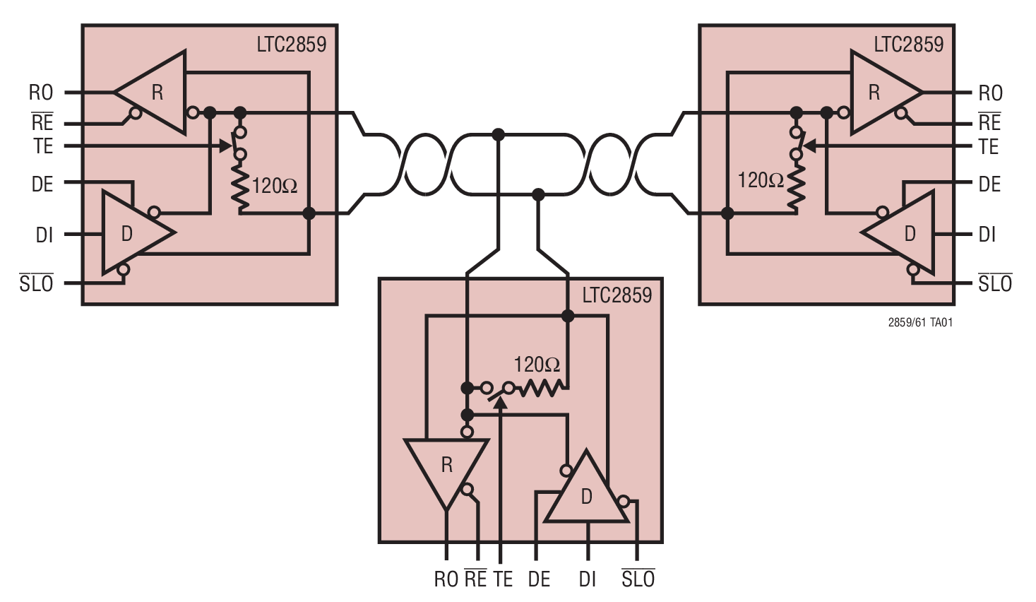
  • Integrated, Logic-Selectable 120Ω Termination Resistor
  • 20Mbps Max Data Rate
  • No Damage or Latch-up to ESD: ±15kV HBM
  • High Input Impedance Supports 256 Nodes
  • 250kbps Low-EMI Mode
  • Guaranteed Fail-safe Receiver Operation Over the Entire Common Mode Range
  • Current Limited Drivers and Thermal Shutdown
  • Delayed Micropower Shutdown (5μA Max)
  • Power Up/Down Glitch-Free Driver Outputs
  • Low Operating Current (900μA Max in Receive Mode)
  • Meets All TIA/EIA-485-A Specifications
  • Available in 10-Pin 3mm × 3mm DFN, 12-Pin 4mm × 3mm DFN and 16-Pin SSOP Packages

Part details & applications

The LTC2859 and LTC2861 are low power, 20Mbps RS485/422 transceivers operating on 5V supplies. The receiver includes a logic-selectable 120Ω termination, one-eighth unit load supporting up to 256 nodes per bus, and a fail-safe feature that guarantees a high output state under conditions of floating or shorted inputs.

The driver features a logic-selectable low-EMI 250kbps operating mode, and maintains a high output impedance over the entire common mode range when disabled or when the supply is removed. Excessive power dissipation caused by bus contention or a fault is prevented by current limiting all outputs and by a thermal shutdown.

Enhanced ESD protection allows the LTC2859 and LTC2861 to withstand ±15kV (human body model) on the transceiver interface pins without latch-up or damage.

Applications

  • Low Power RS485/RS422 Transceiver
  • Level Translator
  • Backplane Transceiver

Subscribe to Welllinkchips !
Your Name
* Email
Submit a request