0
LTC2386-16
  • LTC2386-16
  • LTC2386-16
  • LTC2386-16

LTC2386-16

PRODUCTION

16-Bit, 10Msps SAR ADC

Analog Devices LTC2386-16 Product Info

10 February 2026 8

Features

  • 10Msps Throughput Rate
  • No Pipeline Delay, No Cycle Latency
  • 93.8dB SNR (Typ) at fIN = 1MHz
  • 102dB SFDR (Typ) at fIN = 1MHz
  • Nyquist Sampling Up to 5MHz Input
  • Guaranteed 16-Bit, No Missing Codes
  • ±0.5LSB INL (Max)
  • 8.192VP-P Differential Inputs
  • 5V and 2.5V Supplies
  • Internal 20ppm/°C (Max) Reference
  • Serial LVDS Interface
  • 97mW Power Dissipation
  • 32-Pin (5mm × 5mm) QFN Package

Part details & applications

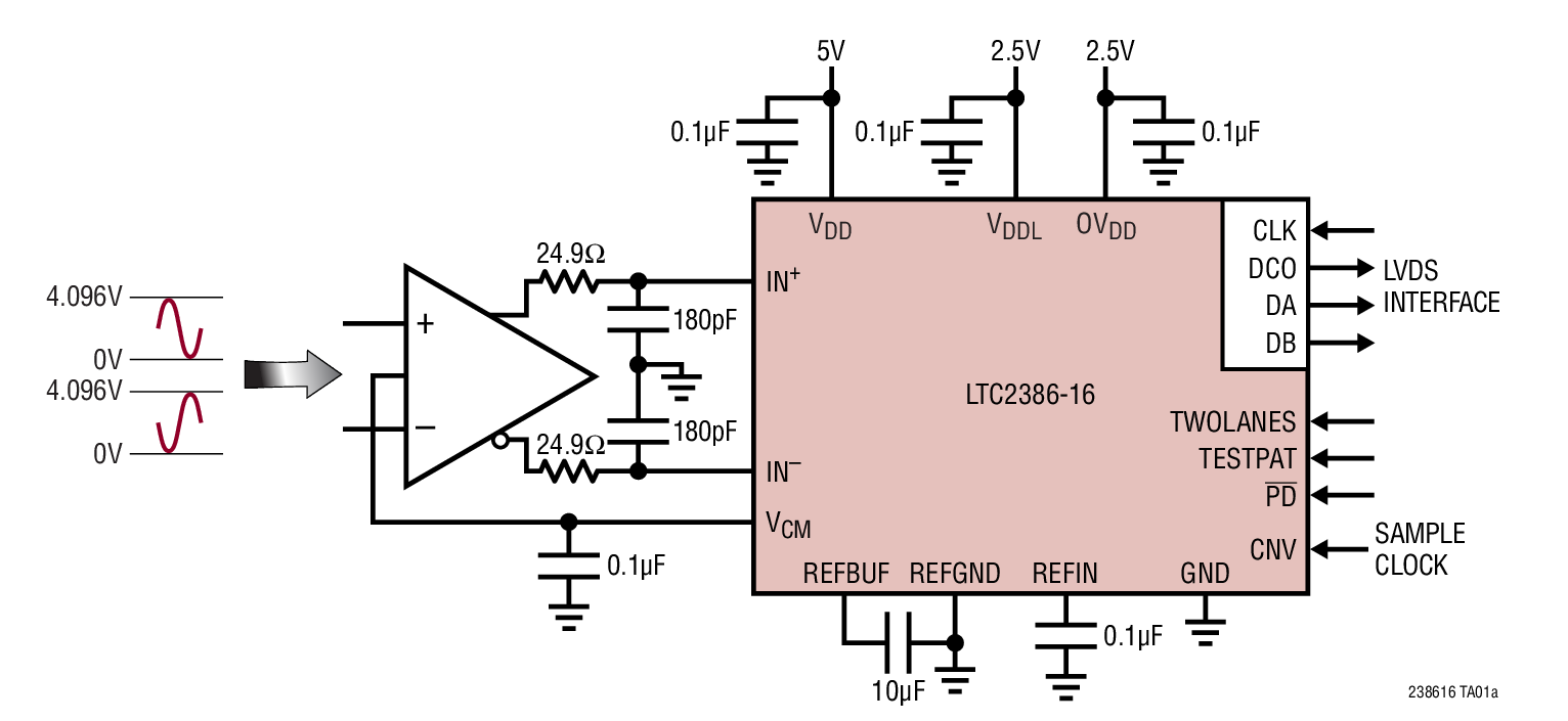
The LTC2386-16 is a low noise, high speed, 16-bit 10Msps successive approximation register (SAR) ADC ideally suited for a wide range of applications. The combination of excellent linearity and wide dynamic range makes the LTC2386-16 ideal for high speed imaging and instrumentation applications. No-latency operation provides a unique solution for high speed control loop applications. The very low distortion at high input frequencies enables communications applications requiring wide dynamic range and significant signal bandwidth.

To support high speed operation while minimizing the number of data lines, the LTC2386-16 features a serial LVDS digital interface. The LVDS interface has one-lane and two-lane output modes, allowing the user to optimize the interface data rate for each application.

Applications

  • High Speed Data Acquisition
  • Imaging
  • Communications
  • Control Loops
  • Instrumentation
  • ATE

Subscribe to Welllinkchips !
Your Name
* Email
Submit a request