0
LTC2271
  • LTC2271
  • LTC2271
  • LTC2271

LTC2271

PRODUCTION

16-Bit, 20Msps Serial Low Noise Dual ADC

Analog Devices LTC2271 Product Info

10 February 2026 7

Features

  • 2-Channel Simultaneous Sampling ADC
  • Serial LVDS Outputs: 1, 2 or 4 Bits per Channel
  • 84.1dB SNR (46μVRMS Input Referred Noise)
  • 99dB SFDR
  • Low Power: 185mW Total
  • 92mW per Channel
  • Single 1.8V Supply
  • Selectable Input Ranges: 1VP-P to 2.1VP-P
  • 200MHz Full-Power Bandwidth S/H
  • Shutdown and Nap Modes
  • Serial SPI Port for Configuration
  • Pin Compatible With LTC2190: 16-Bit, 25Msps, 104mW
  • 52-Lead (7mm × 8mm) QFN Package

Part details & applications

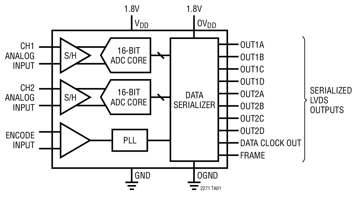
The LTC2271 is a 2-channel, simultaneous sampling 16-bit A/D converter designed for digitizing high frequency, wide dynamic range signals. It is perfect for demanding communications applications with AC performance that includes 84.1dB SNR and 99dB spurious free dynamic range (SFDR).

DC specs include ±1LSB INL (typ), ±0.2LSB DNL (typ) and no missing codes over temperature. The transition noise is 1.44LSBRMS.

To minimize the number of data lines the digital outputs are serial LVDS. Each channel outputs one bit, two bits or four bits at a time. The LVDS drivers have optional internal termination and adjustable output levels to ensure clean signal integrity.

The ENC+ and ENC inputs may be driven differentially or single ended with a sine wave, PECL, LVDS, TTL or CMOS inputs. An internal clock duty cycle stabilizer allows high performance at full speed for a wide range of clock duty cycles.

Applications

  • Low Power Instrumentation
  • Software-Defined Radios
  • Portable Medical Imaging
  • Multi-Channel Data Acquisition

Subscribe to Welllinkchips !
Your Name
* Email
Submit a request