0
LTC2265-12
  • LTC2265-12
  • LTC2265-12
  • LTC2265-12

LTC2265-12

PRODUCTION

12-Bit, 65Msps Low Power Dual ADCs

Analog Devices LTC2265-12 Product Info

10 February 2026 9

Features

  • 2-Channel Simultaneous Sampling ADC
  • 71dB SNR
  • 90dB SFDR
  • Low Power: 167mW/112mW/94mW Total
  • 83mW/56mW/47mW per Channel
  • Single 1.8V Supply
  • Serial LVDS Outputs: 1 or 2 Bits per Channel
  • Selectable Input Ranges: 1VP-P to 2VP-P
  • 800MHz Full Power Bandwidth S/H
  • Shutdown and Nap Modes
  • Serial SPI Port for Configuration
  • Pin Compatible 14-Bit and 12-Bit Versions
  • 40-Pin (6mm × 6mm) QFN Package

Part details & applications

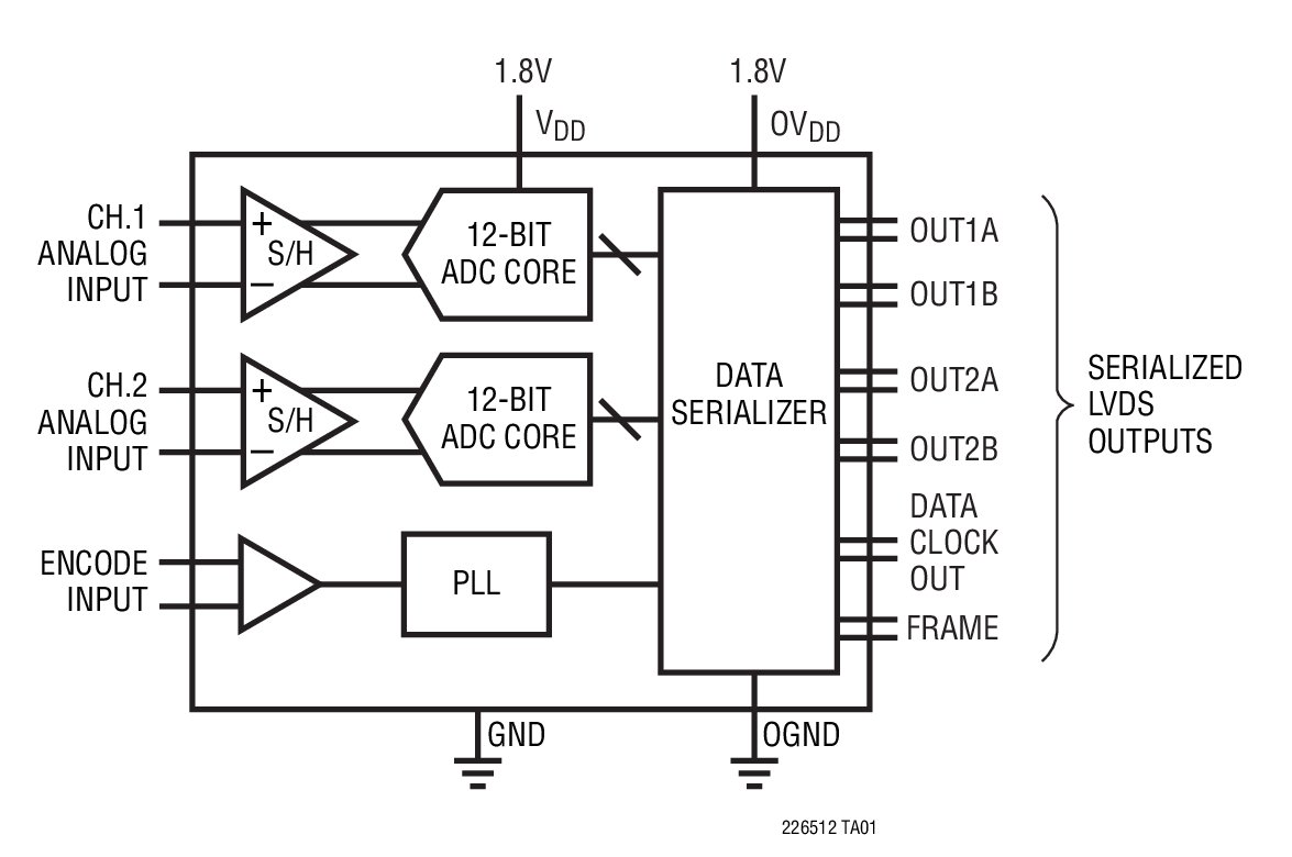
The LTC2265-12/LTC2264-12/LTC2263-12 are 2-channel, simultaneous sampling 12-bit A/D converters designed for digitizing high frequency, wide dynamic range signals. They are perfect for demanding communications applications with AC performance that includes 71dB SNR and 90dB spurious free dynamic range (SFDR). Ultralow jitter of 0.15psRMS allows undersampling of IF frequencies with excellent noise performance.

DC specs include ±0.3LSB INL (typ), ±0.1LSB DNL (typ) and no missing codes over temperature. The transition noise is a low 0.3LSBRMS.

The digital outputs are serial LVDS to minimize the number of data lines. Each channel outputs two bits at a time (2-lane mode) or one bit at a time (1-lane mode). The LVDS drivers have optional internal termination and adjustable output levels to ensure clean signal integrity.

The ENC+ and ENC inputs may be driven differentially or single-ended with a sine wave, PECL, LVDS, TTL, or CMOS inputs. An internal clock duty cycle stabilizer allows high performance at full speed for a wide range of clock duty cycles.

Bits
LTC2265-12 12
LTC2265-14 14

Applications

Subscribe to Welllinkchips !
Your Name
* Email
Submit a request